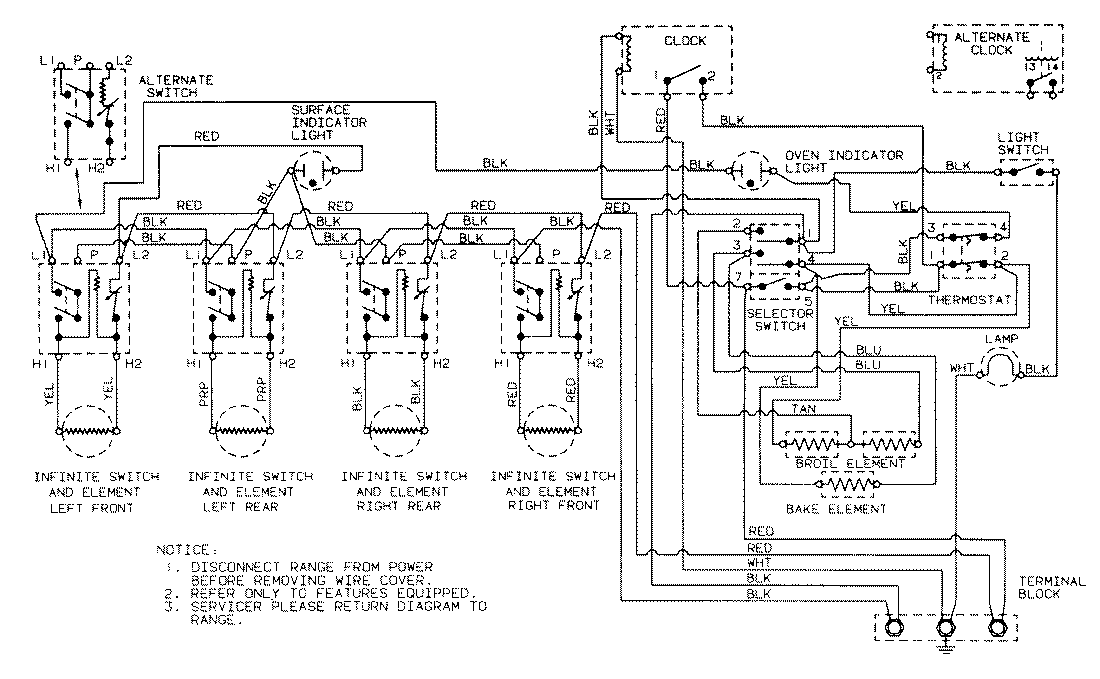
3520SRA 07 – WIRING INFORMATIONadmin2025-04-26T09:06:47+00:003520SRA 07 – WIRING INFORMATION ProductsPositionProductNIMAY 15001468