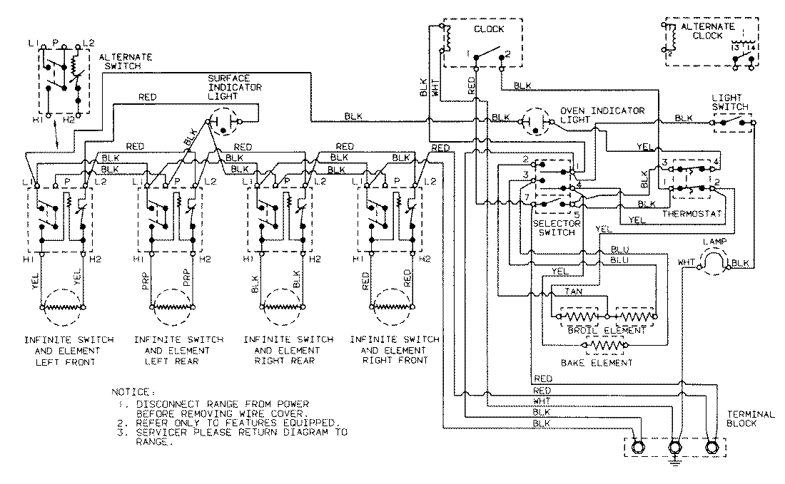
3520SRW 07 – WIRING INFORMATIONadmin2025-04-26T09:08:04+00:003520SRW 07 – WIRING INFORMATION ProductsPositionProductNIMAY 15001468