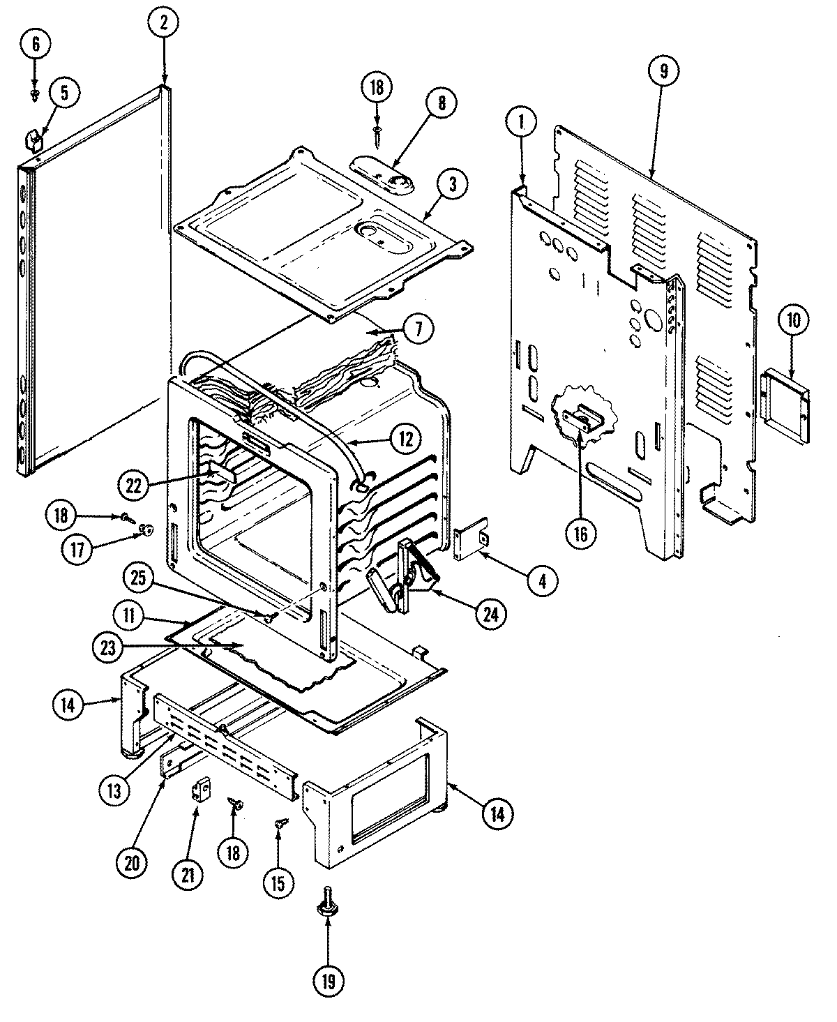
3521WPW 01 – BODYadmin2025-04-26T09:06:58+00:003521WPW 01 – BODY ProductsPositionProduct1MAY 4002F177-802MAY 2618F085-713MAY 4011F208-194SUPPORT,OVEN REAR5SPACER, MAIN TOP (LT)5SPACER, MAIN TOP (RT)6MAY 7118P013-607MAY 4804F017-607MAY 4804F018-608MAY 4005F350-459MAY 4005F348-5110MAY 4005F376-5111MAY 3804F109-5112MAY 4820F001-5913MAY 4020F001-8014MAY 4020W007-8014MAY 4020F002-8015MAY 7101P290-6016MAY 3605F174-5117MAY 8004P024-6018MAY 7101P300-6019MAY 7101P306-6020MAY 3406F028-5121MAY 8004P025-6022MAY 8114P335-6023MAY 8312P058-6024MAY 7106P033-6025SCREW, HINGE25WPW10245259 Whirlpool Terminal Block