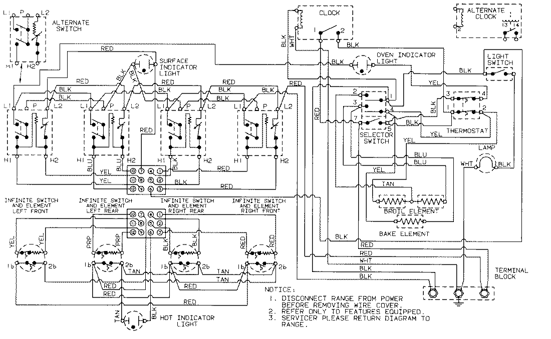
3527WUV 07 – WIRING INFORMATIONadmin2025-04-26T09:06:09+00:003527WUV 07 – WIRING INFORMATION ProductsPositionProductNIMAY 15002238