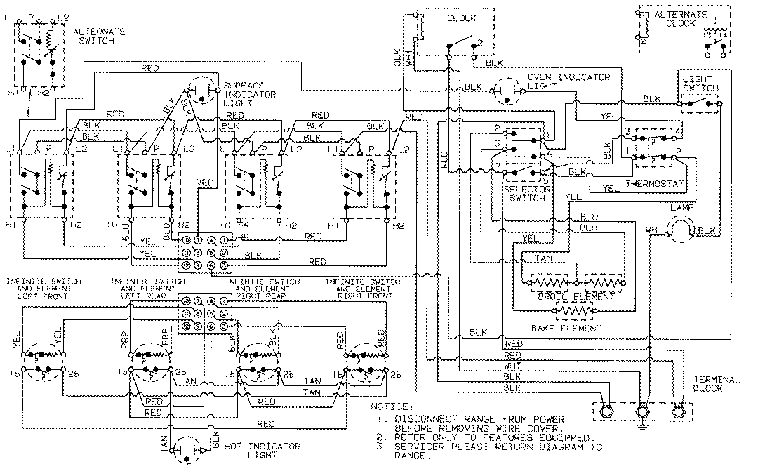
3527XUA 06 – WIRING INFORMATIONadmin2025-04-26T09:06:27+00:003527XUA 06 – WIRING INFORMATION ProductsPositionProductNIMAY 15002238