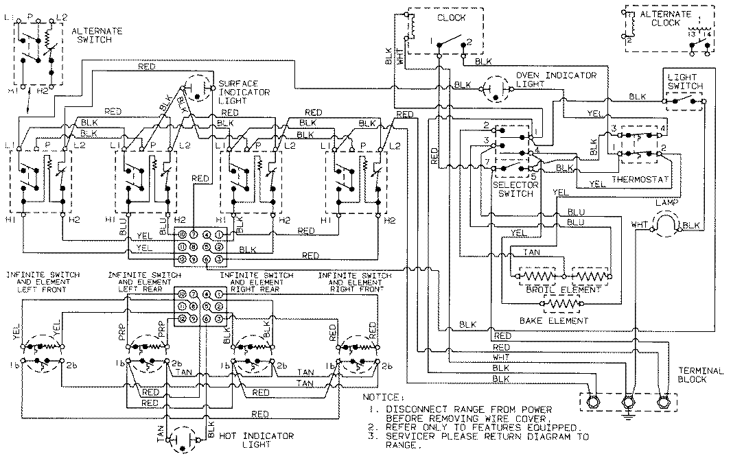
3527XUW 06 – WIRING INFORMATIONadmin2025-04-26T09:05:35+00:003527XUW 06 – WIRING INFORMATION ProductsPositionProductNIMAY 15002238