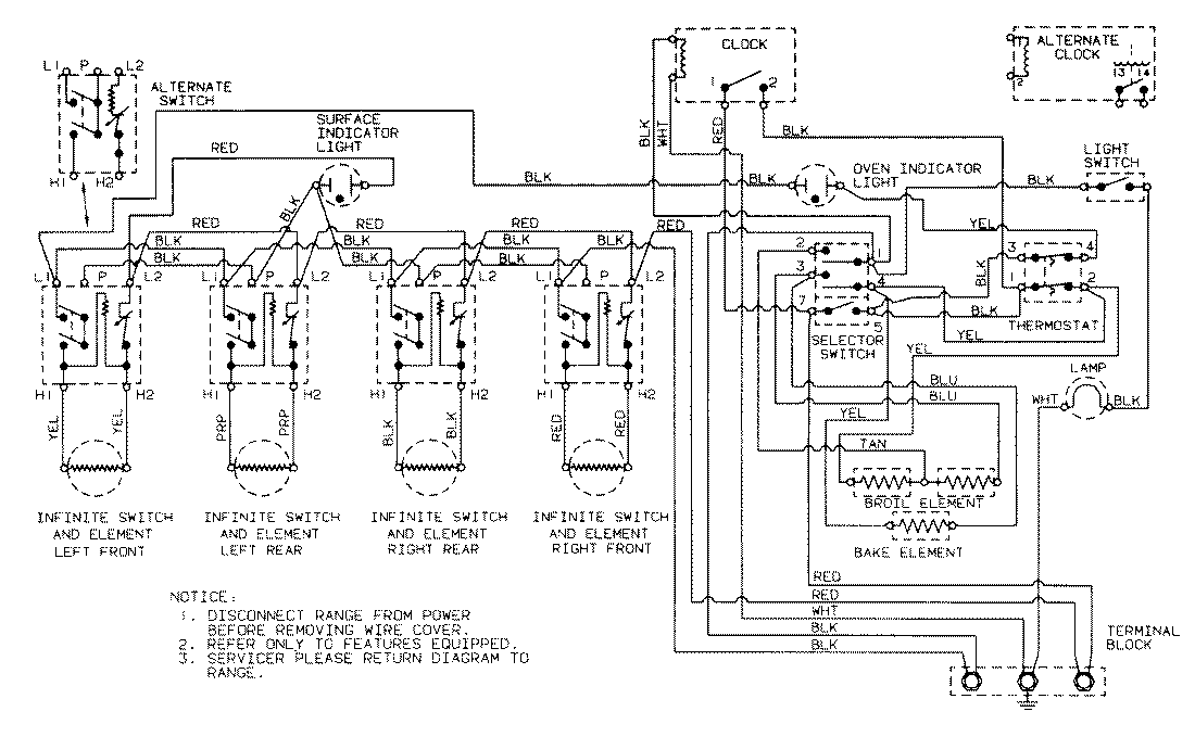
3621WRA 06 – WIRING INFORMATIONadmin2025-04-26T09:08:20+00:003621WRA 06 – WIRING INFORMATION ProductsPositionProductNIMAY 15001468