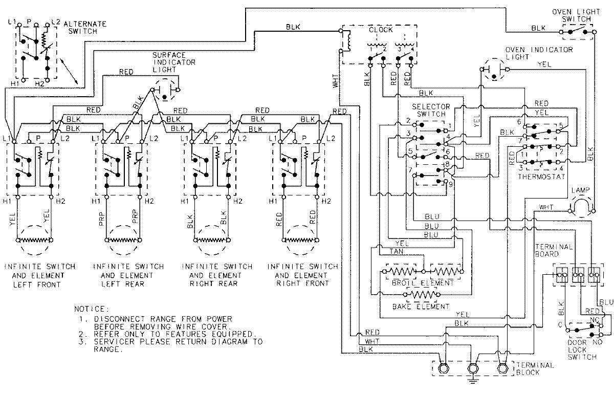
3842PRW 06 – WIRING INFORMATIONadmin2025-04-26T09:11:11+00:003842PRW 06 – WIRING INFORMATION ProductsPositionProductNIMAY 15001147