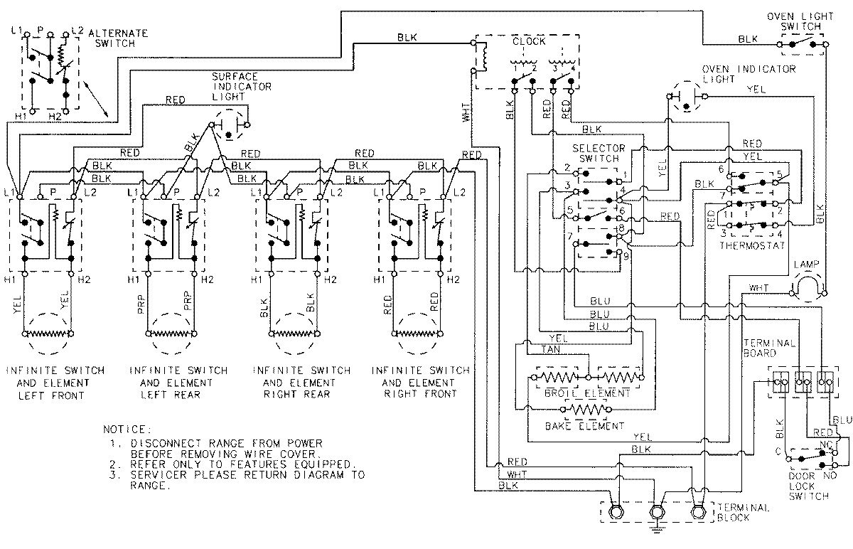
3842XRW 07 – WIRING INFORMATIONadmin2025-04-26T09:11:23+00:003842XRW 07 – WIRING INFORMATION ProductsPositionProductNIMAY 15001147