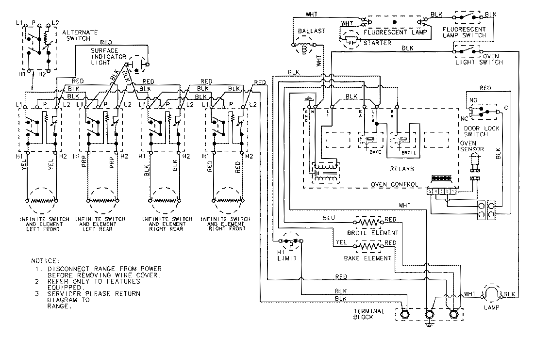
3862VVV 06 – WIRING INFORMATIONadmin2025-04-26T09:11:43+00:003862VVV 06 – WIRING INFORMATION ProductsPositionProductNIMAY 15001304