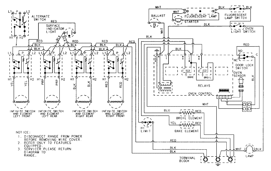
3862XVW 07 – WIRING INFORMATIONadmin2025-04-26T09:09:50+00:003862XVW 07 – WIRING INFORMATION ProductsPositionProductNIMAY 15001304