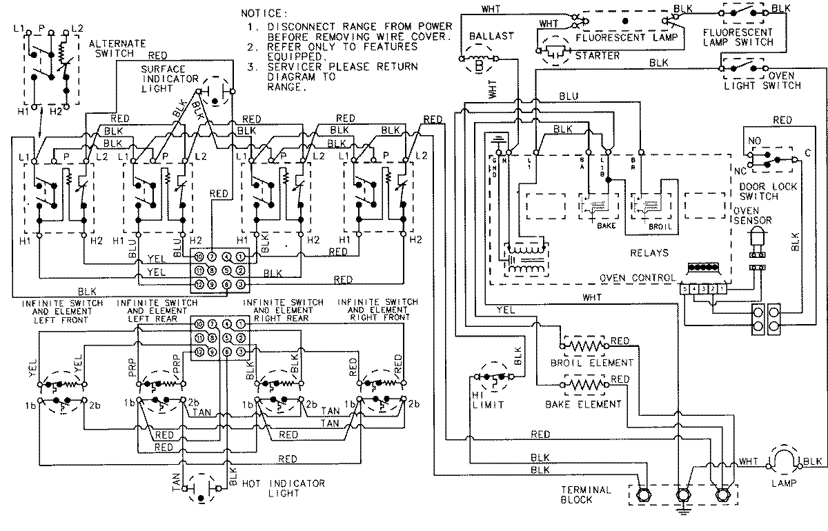
3867VVD 06 – WIRING INFORMATION

3867VVD 06 – WIRING INFORMATION

Products

PositionProduct
NIMAY 15001430