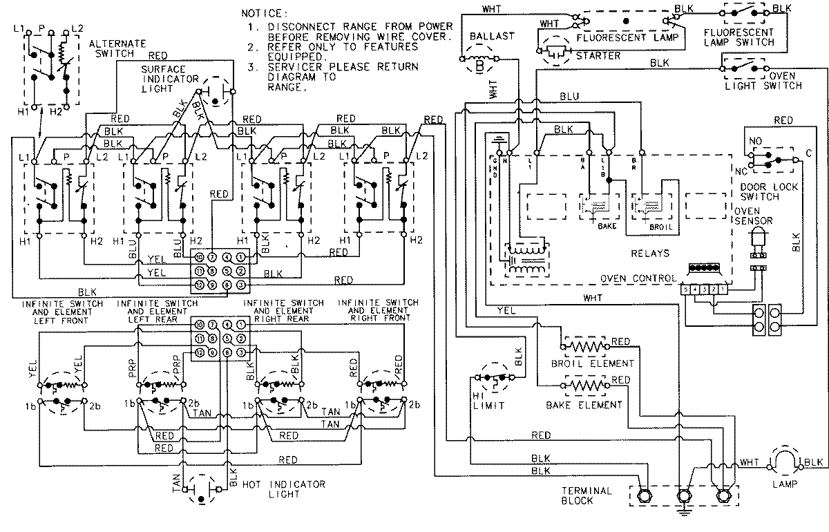
3867VVV 06 – WIRING INFORMATIONadmin2025-04-26T09:11:16+00:003867VVV 06 – WIRING INFORMATION ProductsPositionProductNIMAY 15001430