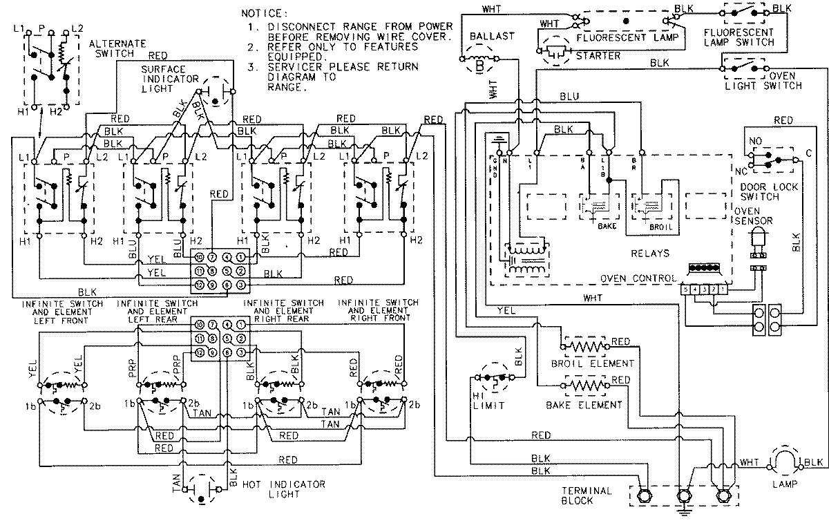
3867XVB 06 – WIRING INFORMATIONadmin2025-04-26T09:10:11+00:003867XVB 06 – WIRING INFORMATION ProductsPositionProductNIMAY 15001430