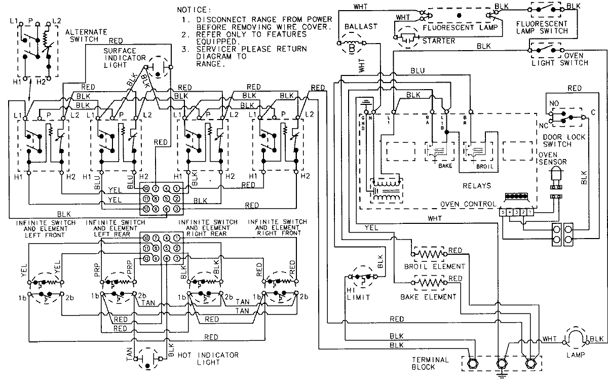
3868KYW-D 06 – WIRING INFORMATIONadmin2025-04-26T09:12:21+00:003868KYW-D 06 – WIRING INFORMATION ProductsPositionProductNIMAY 15001430