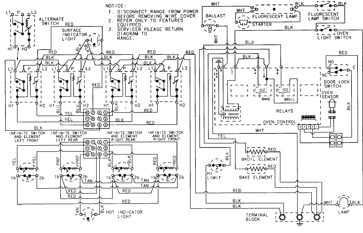
3868SYW 06 – WIRING INFORMATIONadmin2025-04-26T09:11:50+00:003868SYW 06 – WIRING INFORMATION ProductsPositionProductNIMAY 15001430