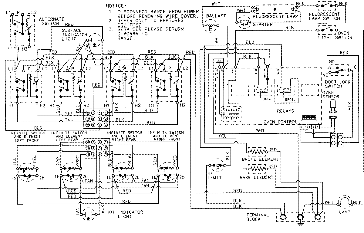
3868VVD 07 – WIRING INFORMATIONadmin2025-04-26T09:10:20+00:003868VVD 07 – WIRING INFORMATION ProductsPositionProductNIMAY 15001430