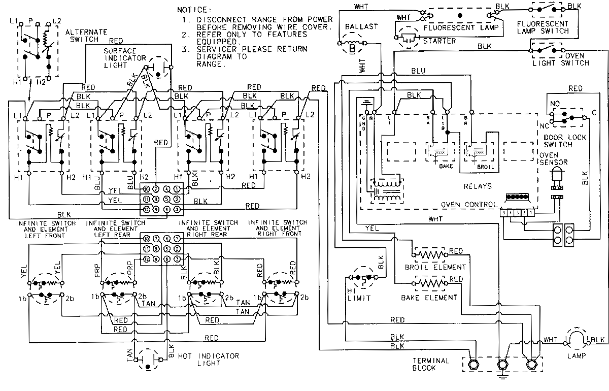
3868VVV 07 – WIRING INFORMATIONadmin2025-04-26T09:12:01+00:003868VVV 07 – WIRING INFORMATION ProductsPositionProductNIMAY 15001430