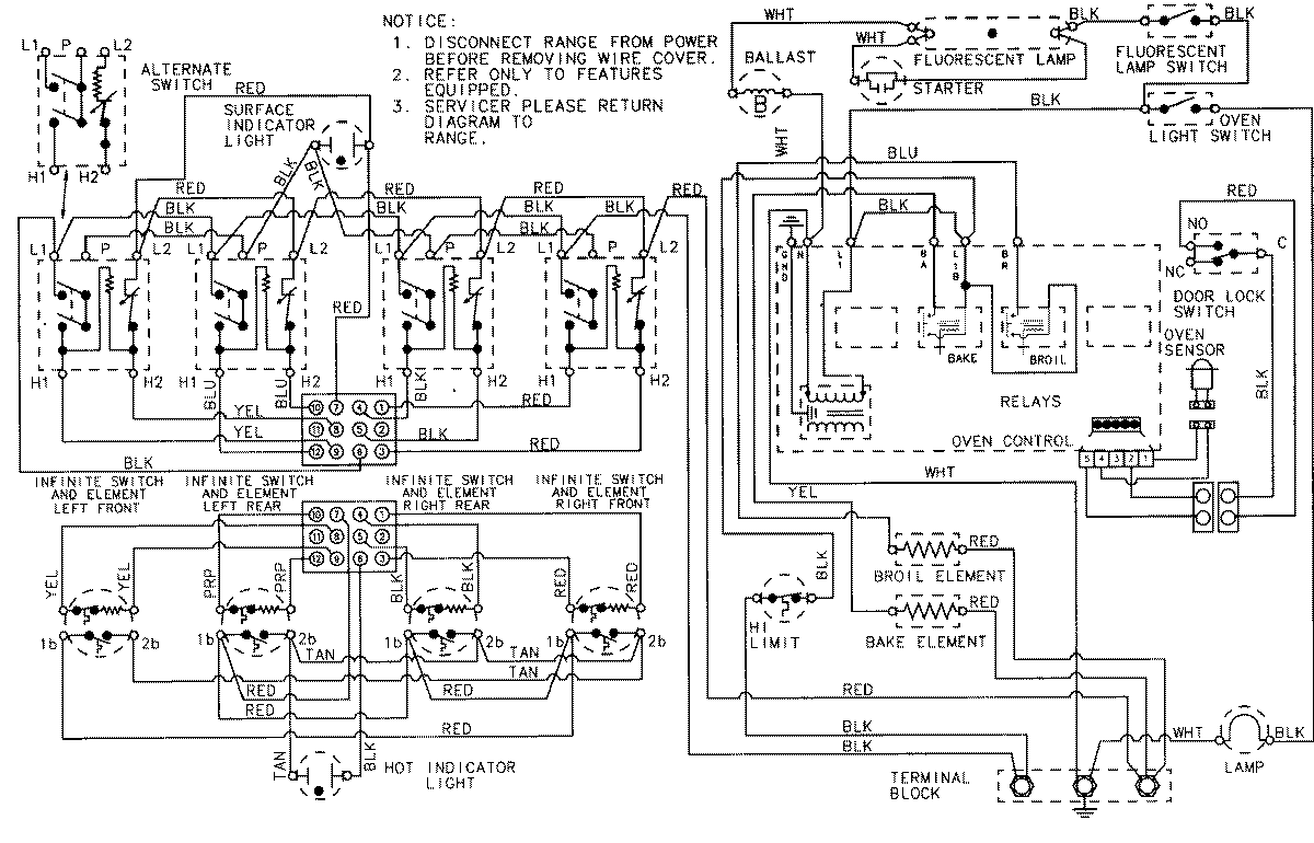
3868XVB 06 – WIRING INFORMATIONadmin2025-04-26T09:11:24+00:003868XVB 06 – WIRING INFORMATION ProductsPositionProductNIMAY 15001430