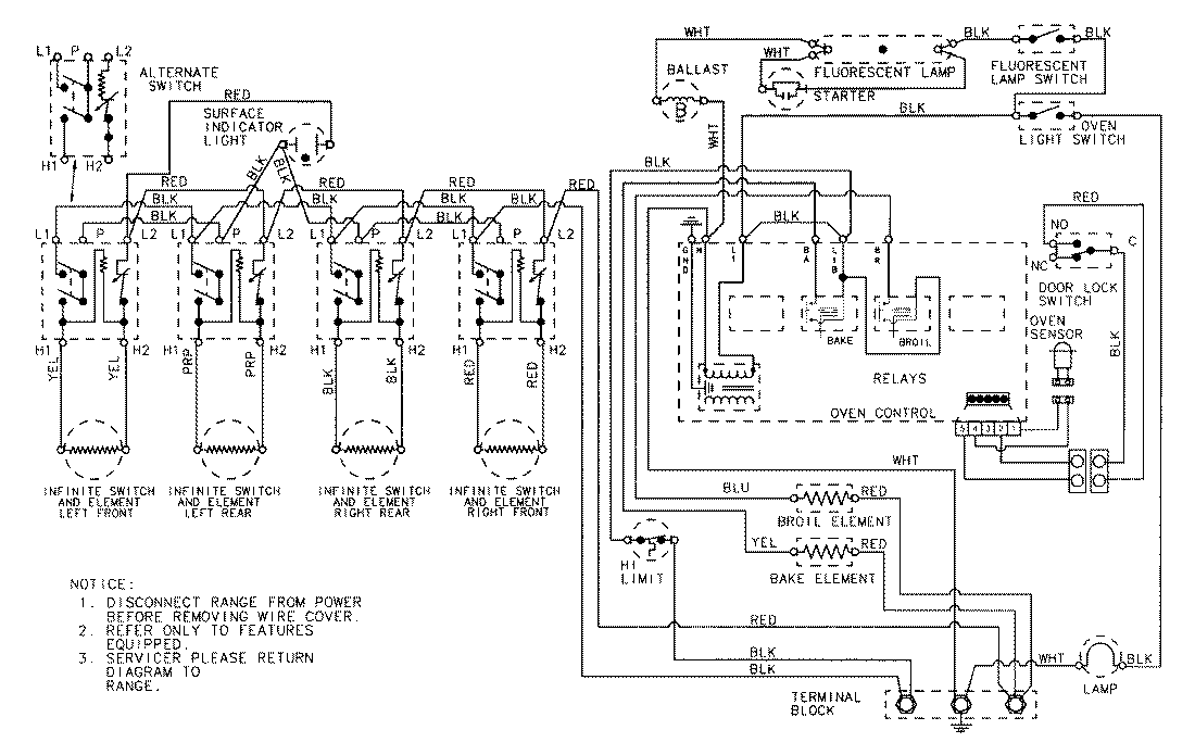
3882VVV 05 – WIRING INFORMATIONadmin2025-04-26T09:10:29+00:003882VVV 05 – WIRING INFORMATION ProductsPositionProductNIMAY 15001304