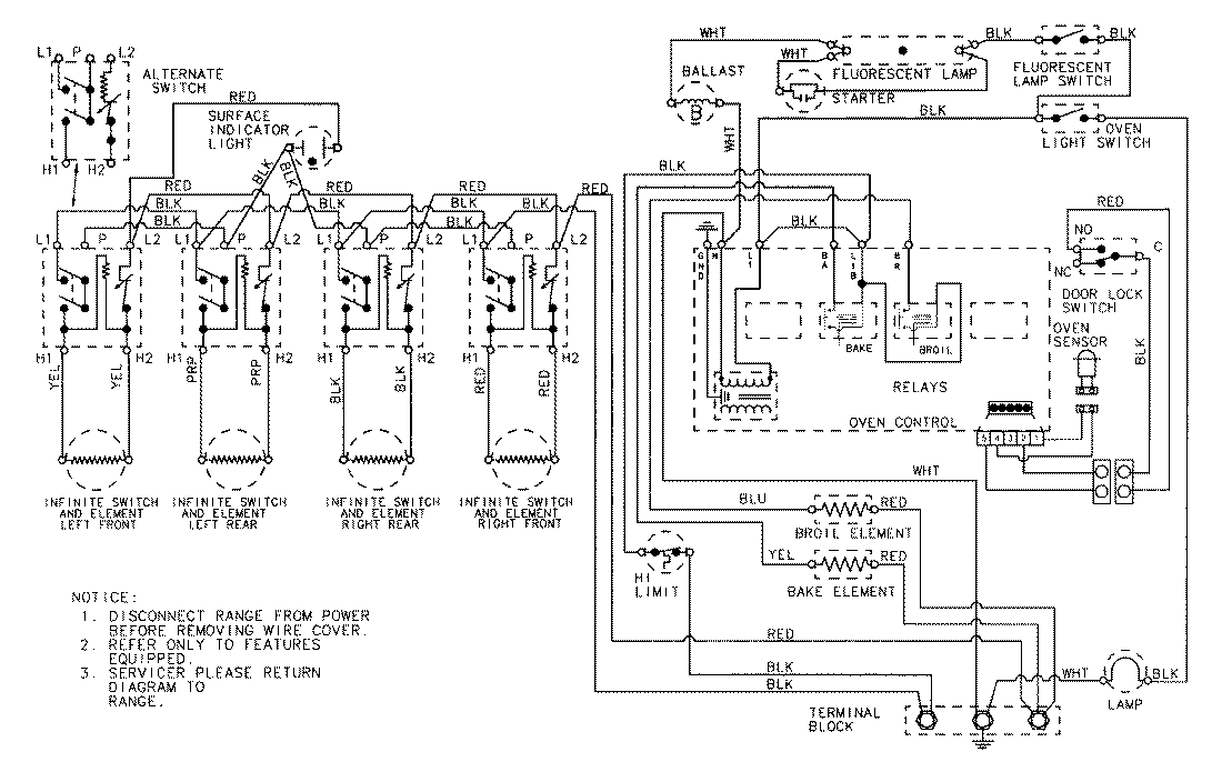
3882XVA 07 – WIRING INFORMATIONadmin2025-04-26T09:11:23+00:003882XVA 07 – WIRING INFORMATION ProductsPositionProductNIMAY 15001304