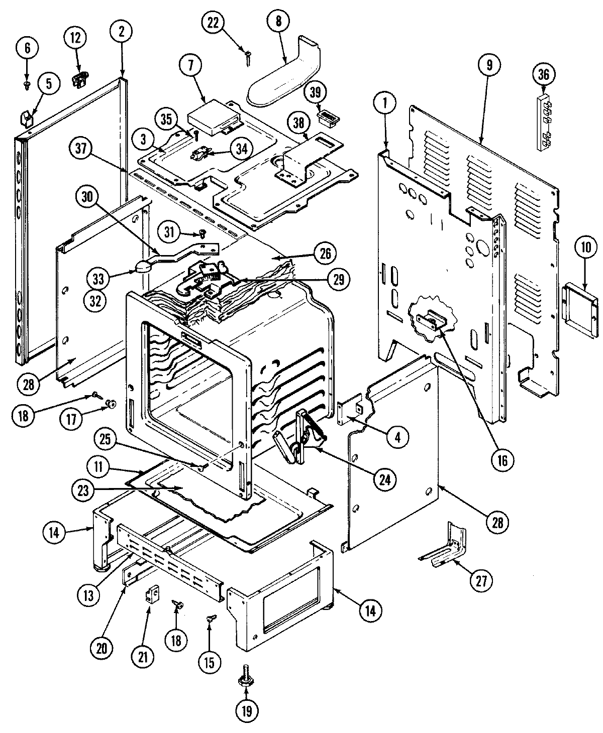
3888VRV 01 – BODYadmin2025-04-26T09:11:51+00:003888VRV 01 – BODY ProductsPositionProduct1MAY 7403P160-601MAY 4002F184-802MAY 2618F099-712MAY 2618F085-713MAY 4011F207-194SUPPORT,OVEN REAR5SPACER, MAIN TOP (LT)5SPACER, MAIN TOP (RT)6MAY 7118P013-607MAY 4005F398-808MAY 4005F350-459MAY 4005F348-5110MAY 4005F427-5111MAY 3804F109-5112MAY 8007P023-6013MAY 4020F001-8014MAY 4020W007-8014MAY 4020F002-8015MAY 7101P290-6016MAY 3605F174-5117MAY 8004P024-6018MAY 7101P300-6019MAY 7101P306-6020MAY 3406F028-5121MAY 8004P025-6023MAY 8312P058-6024MAY 7106P033-6025SCREW, HINGE26MAY 4804F016-6026MAY 4804F015-6027MAY 3801F218-5127MAY 7101P289-6028MAY 3804F103-5129MAY 7101P280-6029MAY 8002P025-6030MAY 8009P016-6031MAY 7109P015-6031SCREW, LEVER32MAY 7112P003-6033MAY 7701P089-6034MAY 7403P228-6035SCREW36WPW10245259 Whirlpool Terminal Block36MAY 3801F302-4537MAY 3801F305-8038MAY 3801F312-4539MAY 7407P097-6039MAY 7407P089-60