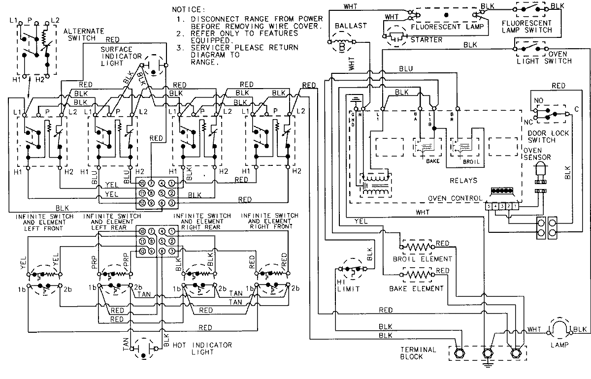
3888VVV 07 – WIRING INFORMATIONadmin2025-04-26T09:12:04+00:003888VVV 07 – WIRING INFORMATION ProductsPositionProductNIMAY 15001430