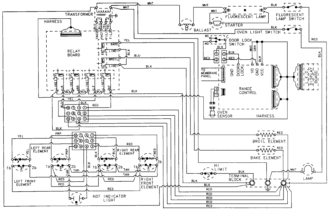
3889VRA 06 – WIRING INFORMATIONadmin2025-04-26T09:10:55+00:003889VRA 06 – WIRING INFORMATION ProductsPositionProductNIMAY 15001542