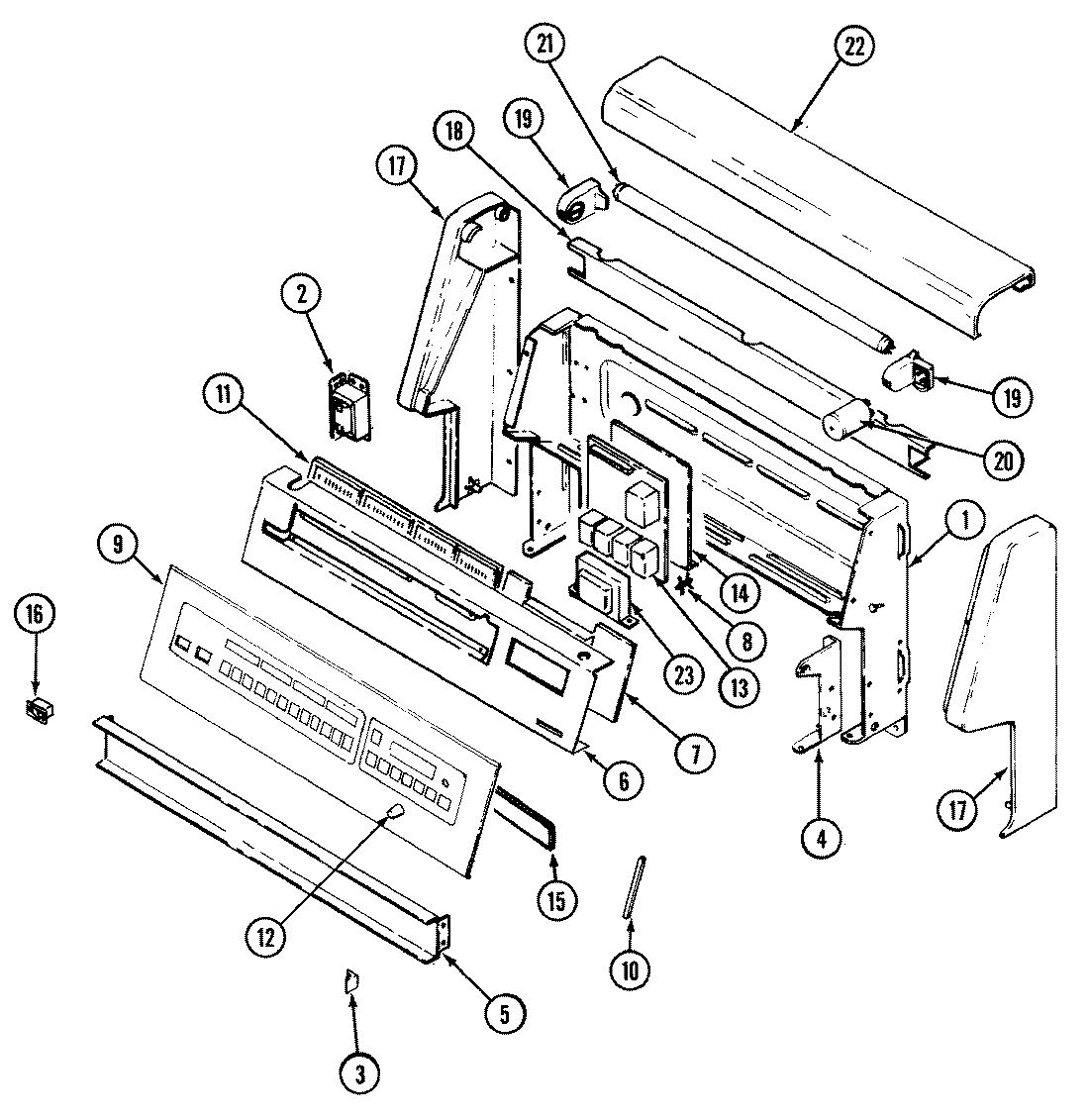
3889VRV 02 – CONTROL PANELadmin2025-04-26T09:14:38+00:003889VRV 02 – CONTROL PANEL ProductsPositionProduct1MAY 4001F091-512MAY 7412P007-603MAY 8010P083-603MAY 7101P148-604MAY 3418A088-344MAY 3418A087-345MAY 3802F088-516MAY 7101P331-606MAY 7703P396-607MAY 3807F437-457MAY 7601P174-608MAY 8004P032-608MAY 8004P035-609MAY 740010199MAY 4876S038-5910MAY 7720P160-6011MAY 7424P001-6011MAY 5170P164-6012MAY 7711P432-6013MAY 7428P011-6014MAY 3807F458-4515MAY 3604F201-801674008717 Whirlpool White Rocker Switch17MAY 7726P073-6017MAY 7726P074-6017MAY 7103P129-6018MAY 3807F406-7119MAY 7408P029-6019MAY 7408P030-6020MAY 7415P001-6021MAY 7407P004-6022MAY 7724P059-6023MAY 5125A365-6023MAY 8004P020-6023SCREW (8BX3/8-NI)23MAY 7418P007-6023MAY 7103P126-6023MAY 5195D119-6023MAY 5170D174-6023MAY 5140D040-6023MAY 1600032924MAY 8112P108-6024MAY 8113P009-60