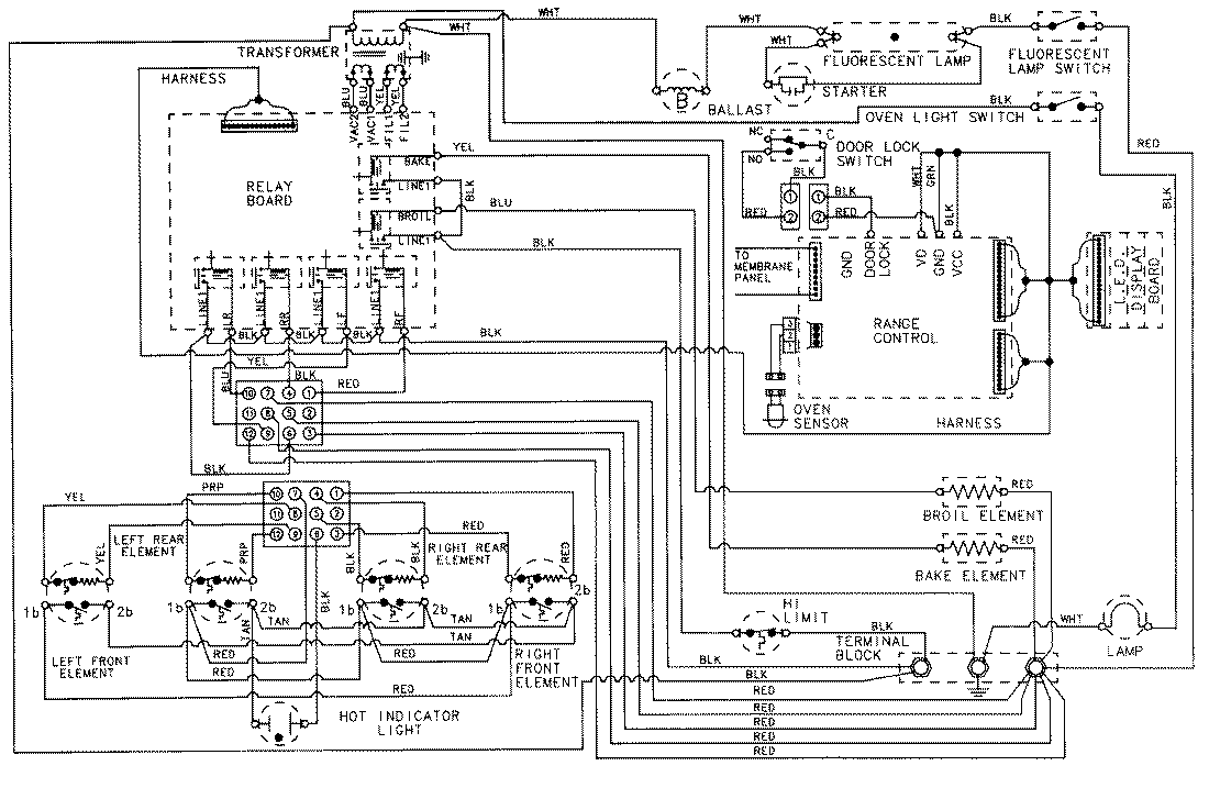
3889VRV-Z 06 – WIRING INFORMATIONadmin2025-04-26T09:11:58+00:003889VRV-Z 06 – WIRING INFORMATION ProductsPositionProductNIMAY 15001542