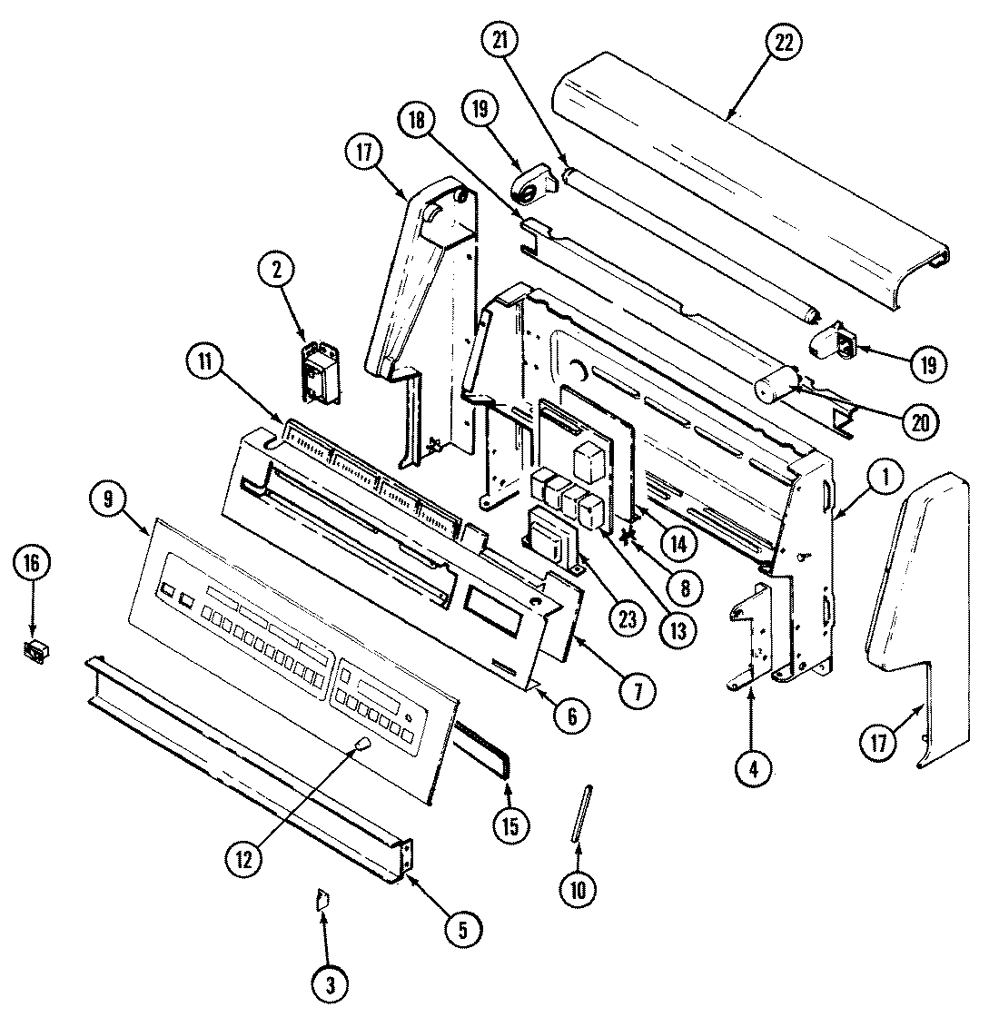
3889XRB 02 – CONTROL PANELadmin2025-04-26T09:12:09+00:003889XRB 02 – CONTROL PANEL ProductsPositionProduct1MAY 4001F091-512MAY 7412P007-603MAY 8010P083-603MAY 7101P148-604MAY 3418A088-344MAY 3418A087-345MAY 3802F088-516MAY 7101P332-606MAY 7703P526-607MAY 7601P174-607MAY 3807F437-458MAY 8004P032-608MAY 8004P035-609MAY 740010199MAY 4876S039-5910MAY 7720P155-6011MAY 7424P001-6011MAY 5170P164-6012MAY 7711P431-6013MAY 7428P011-6014MAY 3807F458-4515MAY 3604F201-8016MAY 7403P309-6017MAY 7103P129-6017MAY 7726P048-6017MAY 7726P047-6018MAY 3807F406-7119MAY 7408P029-6019MAY 7408P030-6020MAY 7415P001-6021MAY 7407P004-6022MAY 7724P054-6023MAY 5125A365-6023MAY 1600032923MAY 8004P020-6023MAY 7418P007-6023SCREW (8BX3/8-NI)23MAY 5195D119-6023MAY 5170D174-6023MAY 5140D040-6023MAY 7103P126-6024MAY 8112P108-6024MAY 8113P009-60