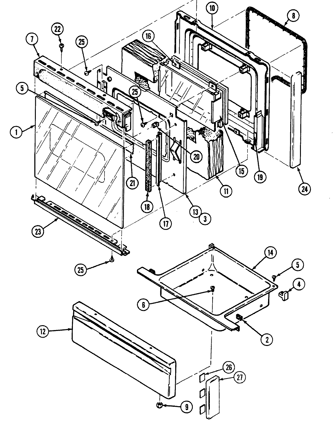
3889XRB 03 – DOOR/DRAWER (3889XRB)admin2025-04-26T09:11:46+00:003889XRB 03 – DOOR/DRAWER (3889XRB) ProductsPositionProduct1MAY 7902P321-602MAY 8010P086-603MAY 8010P085-604WP8004P026-60 Whirlpool Support5MAY 7101P329-606WP4159193 Whirlpool Screw7MAY 7701P096-608GASKT-DOOR OVEN9WPW10131078 Whirlpool Nut Assembly10MAY 2402W202-1911MAY 4804F034-6012MAY 2416F039-6513MAY 3601F232-4514MAY 3405F015-8015MAY 7907P021-6016MAY 3805F002-3417MAY 3818F052-8018MAY 7208P002-6019MAY 7208P011-6020MAY 8010P075-6021TAPE, FOIL (3`` WIDE)22WP98008545 Whirlpool Screw23MAY 7744P105-6024MAY 7744P055-6025MAY 7101P290-6026MAY 8270P094-6027MAY Y7744P07060