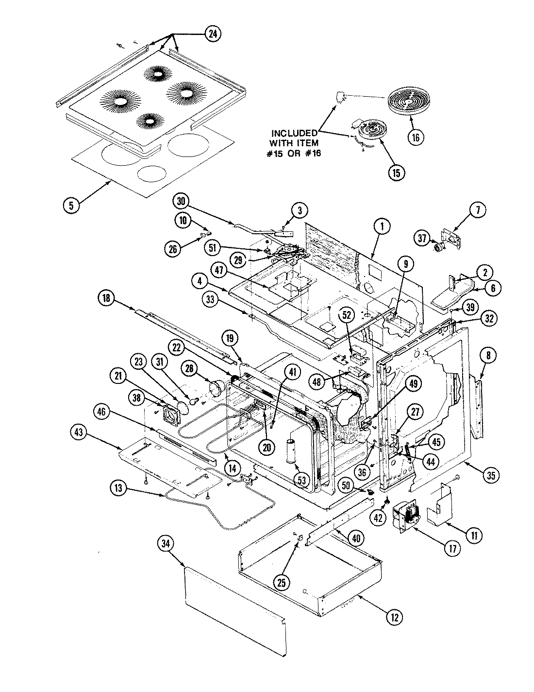
38HA-26CX-ON 01 – BODYadmin2025-04-26T09:12:24+00:0038HA-26CX-ON 01 – BODY ProductsPositionProduct1MAY 4002F086-202MAY 7401P002-603MAY 7116P003-604MAY 4011F129-805MAY 3601F157-806MAY 4006W056-457MAY 3801F024-518MAY 3802F010-808MAY 3801F093-518MAY 3802F008-808MAY 3801F125-209MAY 3801F101-8010WP7112P004-60 Whirlpool Thermal Clip10MAY 7112P003-6010MAY 4005F137-8011MAY 4005F139-5111MAY 4005F179-2011MAY 4005F182-2012MAY 3405F008-8013MAY 7406P010-6014MAY 7406P003-6015MAY 1250004115MAY 7406P053-6015MAY 7406P058-6016MAY 7406P057-6016MAY 1250004016MAY 7406P052-6017MAY 7427P005-6018MAY 4012F017-8019MAY 2201F061-2320MAY 7201P003-6021MAY 7201P015-6021MAY 7201P014-6022MAY 7201P036-6023MAY 7902P057-6024MAY 5425A009-6024MAY 5425A010-6025MAY 8016P004-6025MAY 8016P005-6026MAY 7701P068-6026MAY 7105P002-6027MAY 3418F029-3427MAY 3418F030-3428MAY 4001F020-1328MAY 3413F002-1129MAY 8002P020-6030MAY 8009P009-6031MAY 7407P026-6032MAY 4009W029-8032MAY 4009W053-8033MAY 3401F004-1133MAY 7807P004-6034MAY 2416F006-7434MAY 2416F006-71