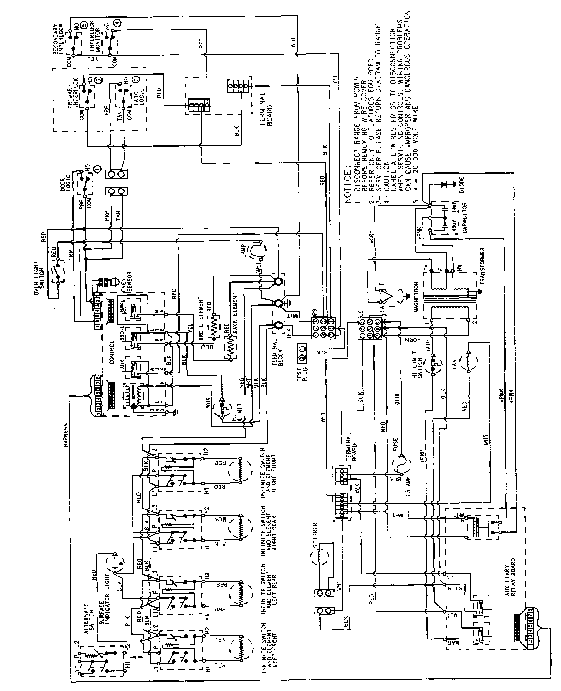
3962VVA 08 – WIRING INFORMATIONadmin2025-04-26T09:16:48+00:003962VVA 08 – WIRING INFORMATION ProductsPositionProductNIMAY 15001330