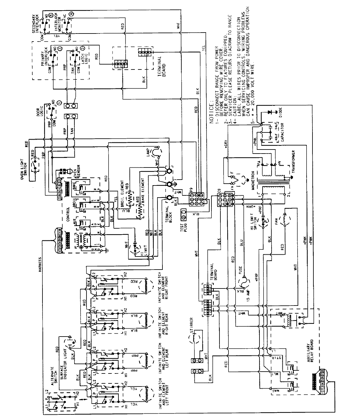
3962VVV 07 – WIRING INFORMATIONadmin2025-04-26T09:16:56+00:003962VVV 07 – WIRING INFORMATION ProductsPositionProductNIMAY 15001330