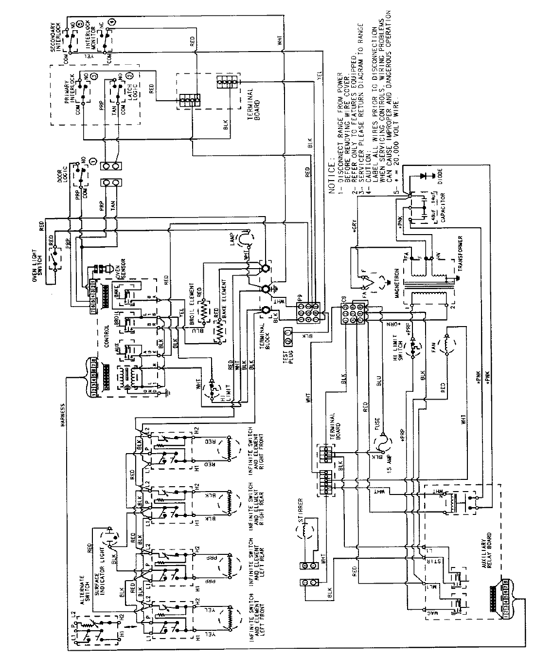
3962XVB 08 – WIRING INFORMATIONadmin2025-04-26T09:14:56+00:003962XVB 08 – WIRING INFORMATION ProductsPositionProductNIMAY 15001330