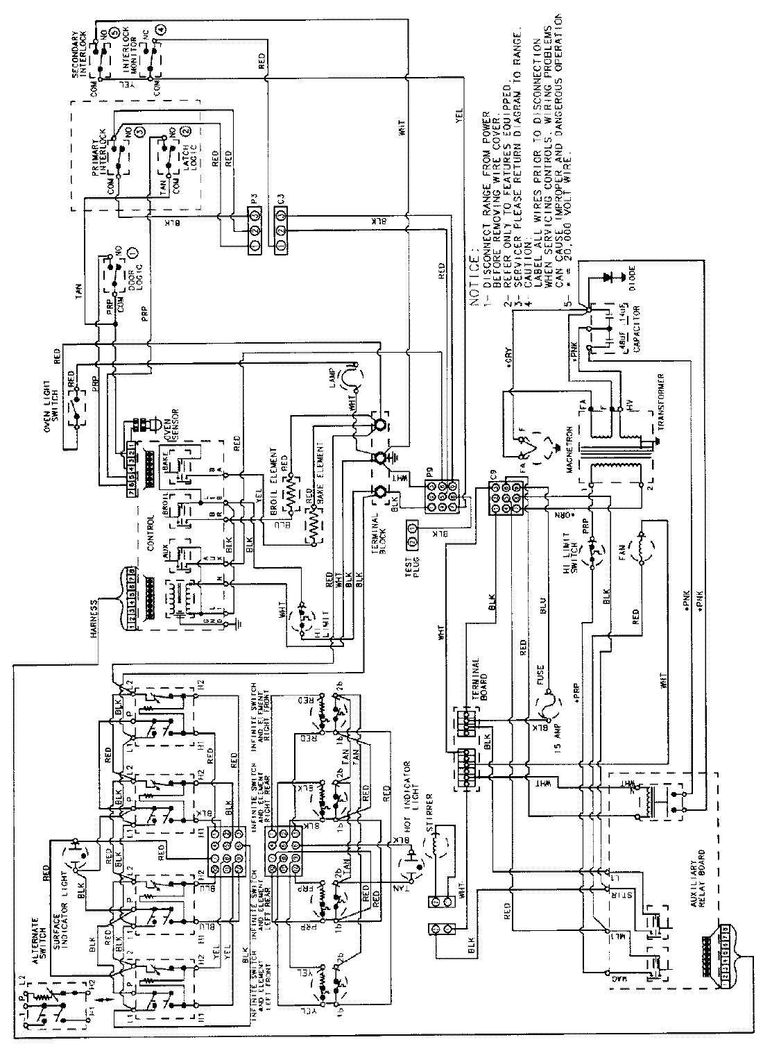
3968VVV 08 – WIRING INFORMATIONadmin2025-04-26T09:14:58+00:003968VVV 08 – WIRING INFORMATION ProductsPositionProductNIMAY 15001306