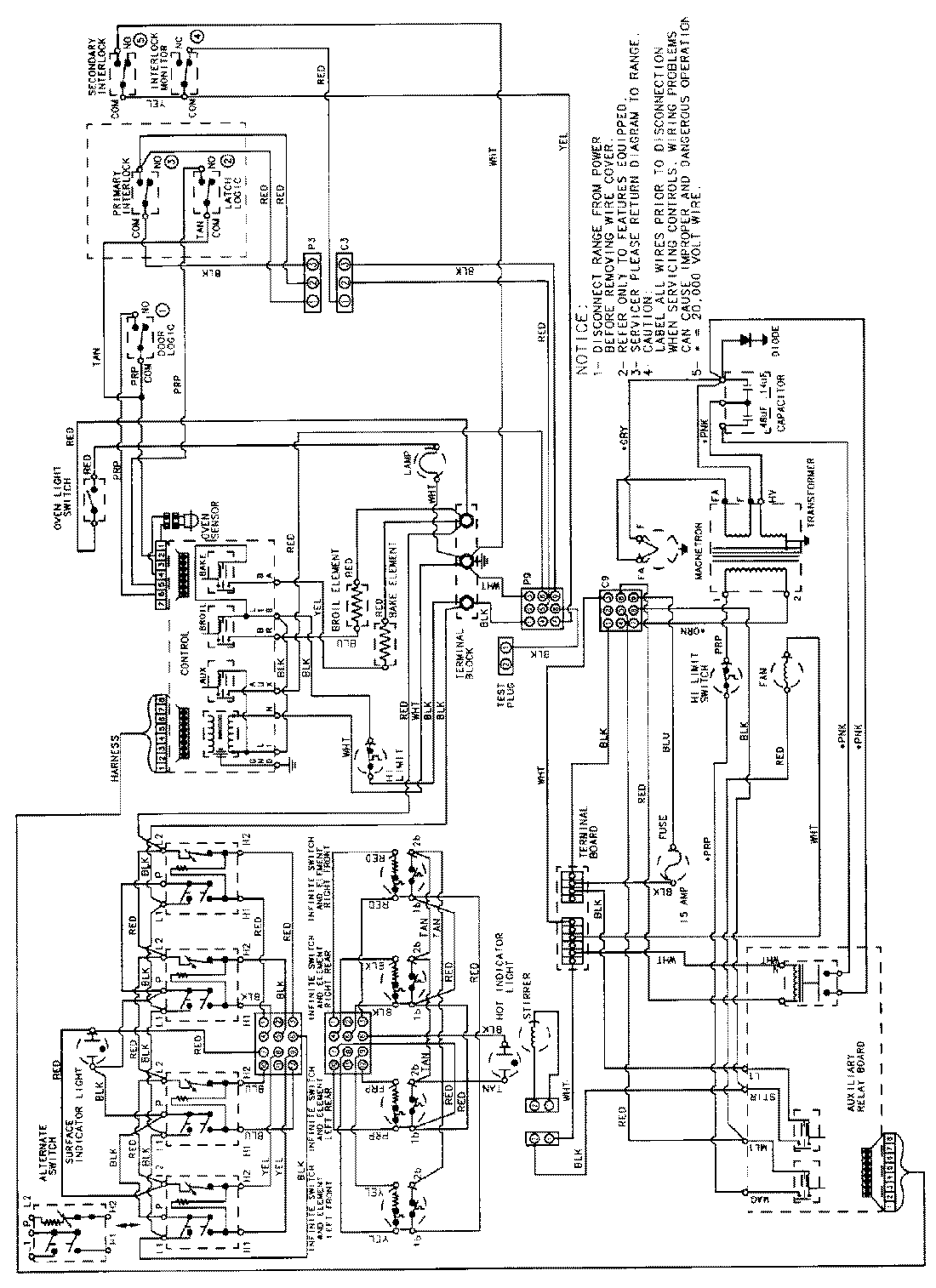
3968XVB 08 – WIRING INFORMATIONadmin2025-04-26T09:16:42+00:003968XVB 08 – WIRING INFORMATION ProductsPositionProductNIMAY 15001306