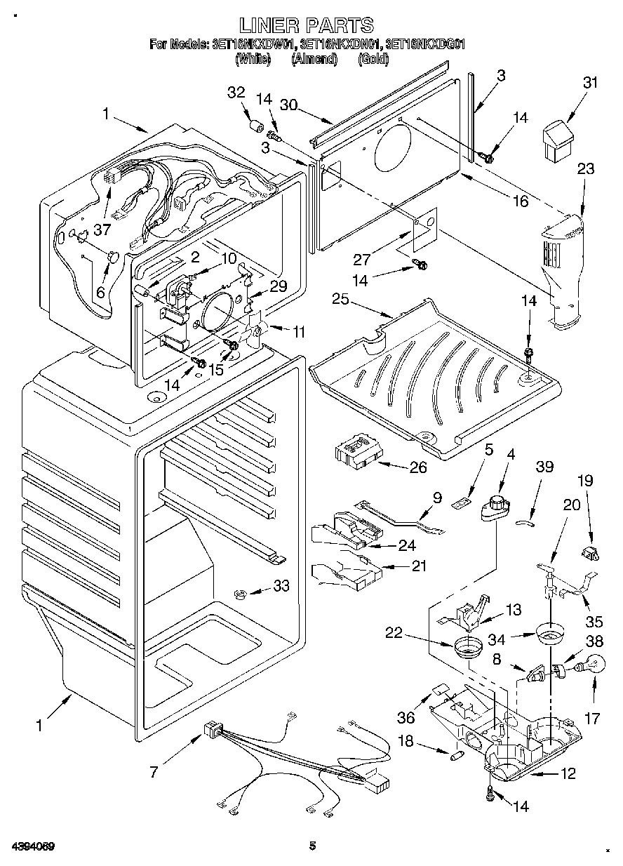
3ET16NKXDW01 03 – LINER