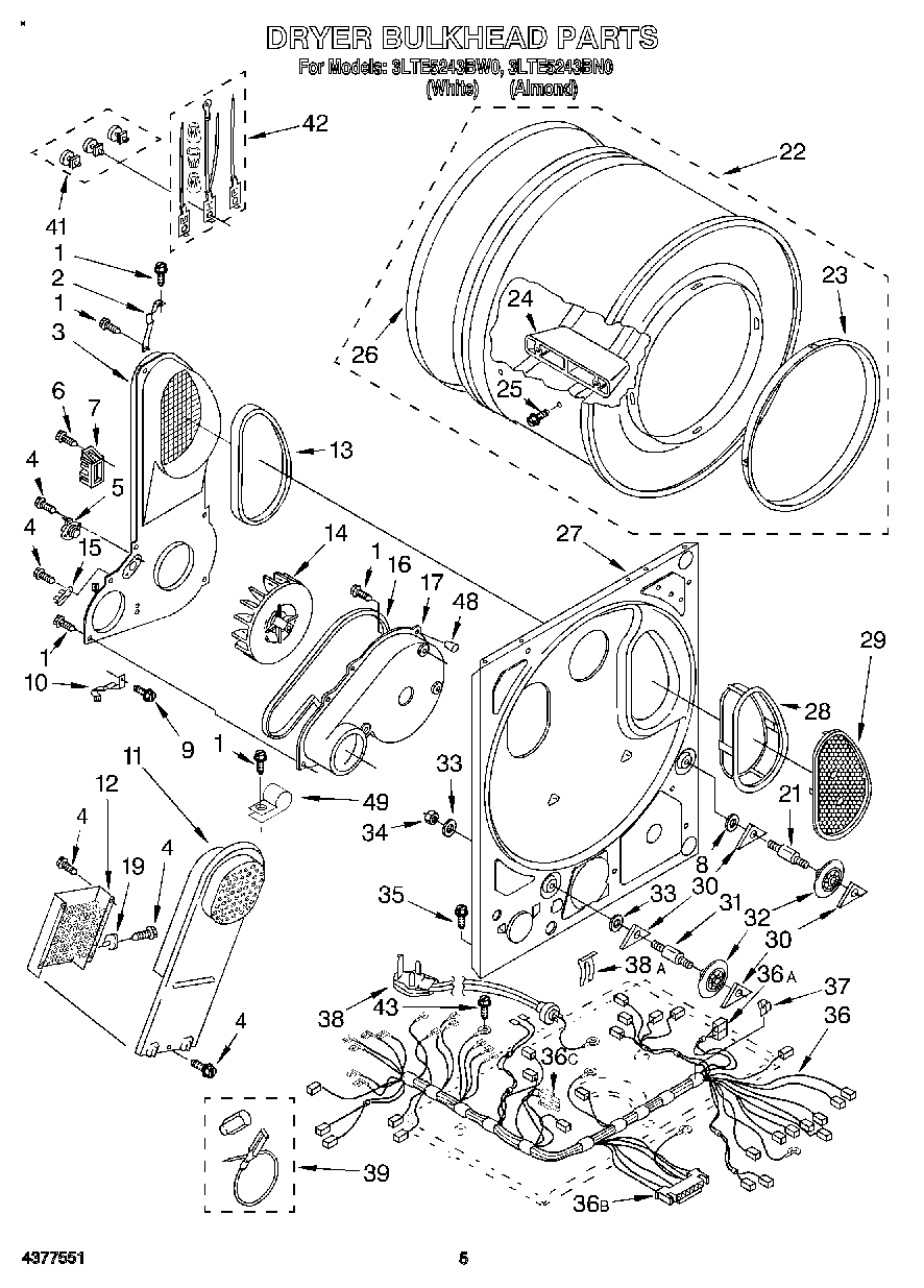
3LTE5243BN0 04 – DRYER BULKHEADadmin2025-04-26T10:54:39+00:003LTE5243BN0 04 – DRYER BULKHEAD ProductsPositionProduct1SCREW2345396 Whirlpool Clip3Air Duct & Bracket4WP488729 Whirlpool Refrigerator Door Screw5WP3387137 Whirlpool Thermostat6WP308685 Whirlpool Microwave Screw7279320 Whirlpool Dryer Rear Terminal Block Kit8WP3388703 Whirlpool Washer9WP489463 Whirlpool Refrigerator Screw10279771 Whirlpool Clip11WP3401380 Whirlpool Box12WP279843 Whirlpool Heating Element13SEAL14WP696426 Whirlpool Wheel15WP3399849 Whirlpool Thermal Fuse16Seal, Fan Scroll17WP696418 Whirlpool Fan Scroll19THRMST-FIX21SHAFT SUPPORT ROLLER DRYER223391834 Whirlpool Drum23WP3394508 Whirlpool Bearing Ring24685207 Whirlpool Dryer Baffle25Screw26SEAL27279848 Whirlpool Bulkhead28W10828351 Whirlpool Dryer Filter Lint Screen with Cover30WPW10512946 Whirlpool Dryer Tri-Ring Drum Roller31SHAFT SUPPORT ROLLER DRYER32349241T Whirlpool Dryer Drum Support Roller Kit33WP348197 Whirlpool Washer Assembly34WP3359452 Whirlpool Nut35WP3390631 Whirlpool Screw36AReceptacle, Latching (2-Way) (Uses Terminal 94614)36Harness, Main Dryer Wiring (Includes Nos.36A, 36B & 36C)36B3395683 Whirlpool Connector36CWP62889 Whirlpool Washer Lid Switch Terminal Receptacle37CLIP38AW11712577 Whirlpool Clip38Cord, Power39279457 Whirlpool Dryer Heating Element Wide Spade Connection41279393 Whirlpool Terminal Block Screw and Nut Kit42279318 Whirlpool Terminal43W10850756 Whirlpool Screw48W10491983 Whirlpool Tine Tip49488946 Whirlpool Air Conditioner Clamp