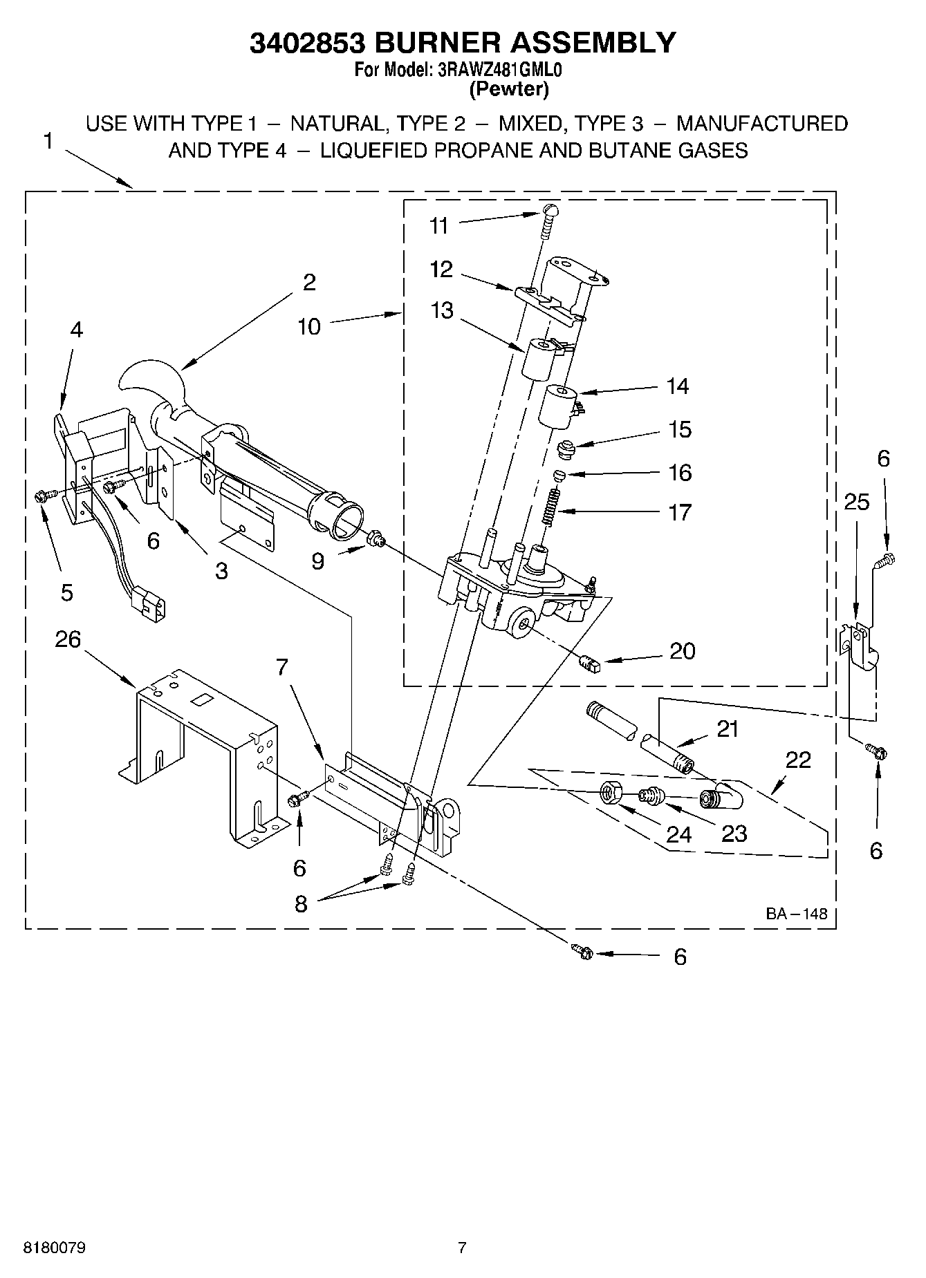
3RAWZ481GML0 04 – 3402853 BURNER ASSEMBLY