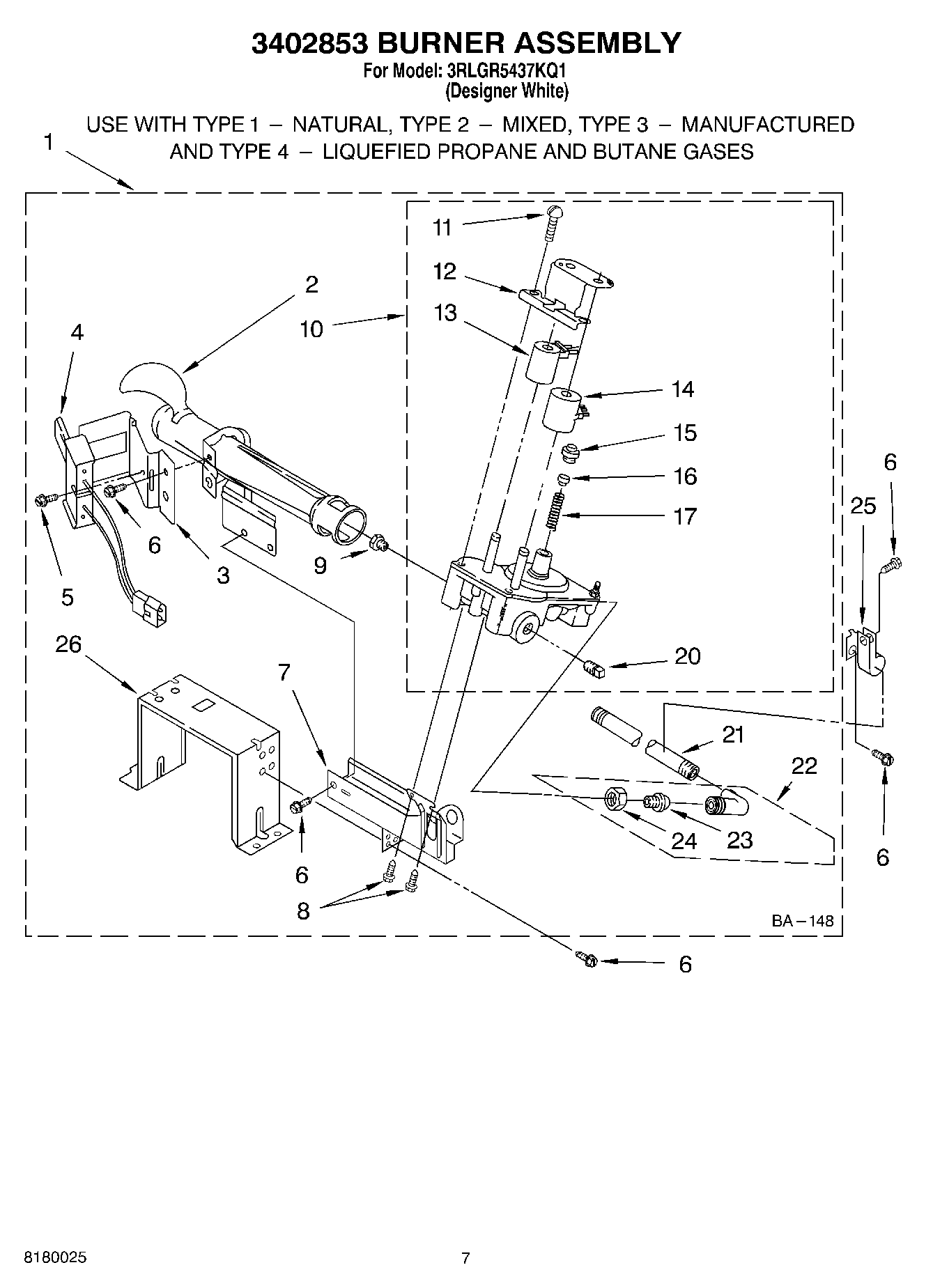
3RLGR5437KQ1 04 – 3402853 BURNER ASSEMBLYadmin2025-04-26T12:26:40+00:003RLGR5437KQ1 04 – 3402853 BURNER ASSEMBLY ProductsPositionProduct1Burner Assembly 50 Hz. (White Rodgers)2WP693140 Whirlpool Burner3WP694298 Whirlpool Bracket4279311 Whirlpool Dryer Flat Igniter with Bracket5WPW10366705 Whirlpool Screw6WP3351614 Whirlpool Screw7Base, Burner8WP693995 Whirlpool Screw9ORIFICE, BURNER TYPE 19Orifice, Burner (Type 4 (Butane))10WP8281918 Whirlpool Gas Valve11694421 Whirlpool Screw Assembly12694538 Whirlpool Bracket13WP307930 Whirlpool Coil Valve14WPY307931 Whirlpool Valve Coil15WP694424 Whirlpool Limiter16WP694423 Whirlpool Regulator17WP694422 Whirlpool Spring20W10295523 Whirlpool Plug21Pipe, Gas Supply223406051 Whirlpool Elbow233393767 Whirlpool Pipe24Nut, Compression253387561 Whirlpool Clamp26Bracket, Support26279918A Whirlpool LP Conversion Kit26FOLLOWING PARTS NOT ILLUSTRATED