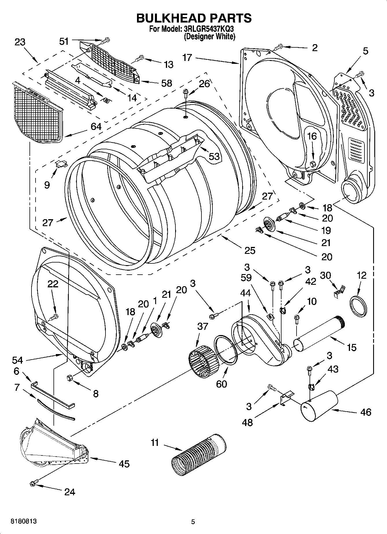
3RLGR5437KQ3 03 – BULKHEAD PARTSadmin2025-04-26T12:23:40+00:003RLGR5437KQ3 03 – BULKHEAD PARTS ProductsPositionProduct1SHAFT2WP488729 Whirlpool Refrigerator Door Screw3WP90767 Whirlpool Screw4WP3394986 Whirlpool Spring5W11168650 Whirlpool Air Duct6WP697813 Whirlpool Seal8WPW10080210 Whirlpool Nut98066086 Whirlpool Plug10WPW10139210 Whirlpool Screw11Exhaust Duct (Corrugated)12W11233063 Whirlpool Shield Assembly13WP3387230 Whirlpool Screw14W11222846 Whirlpool Door15279936 Whirlpool Exhaust Pipe16WPW10080190 Whirlpool Nut17W11299300 Whirlpool Bulkhead Assembly18W11236646 Whirlpool Washer Assembly19SHAFT20WPW10512946 Whirlpool Dryer Tri-Ring Drum Roller21WPW10314173 Whirlpool Dryer Drum Support Wheel23W11129408 Whirlpool Out Housing24WP489463 Whirlpool Refrigerator Screw25W10545923 Whirlpool Drum Assembly26WPW10109200 Whirlpool Screw27280114 Whirlpool Dryer Drum Seal30W11684573 Whirlpool Clip Assembly37WP697772 Whirlpool Dryer Blower Wheel42WP3387137 Whirlpool Thermostat43W11050897 Whirlpool Dryer High Limit Thermostat44W10888146 Whirlpool Housing45WPW10128606 Whirlpool Lint Duct46WP8066047 Whirlpool Funnel48WP338906 Whirlpool Dryer Gas Sensor51WP308685 Whirlpool Microwave Screw53WPW10113136 Whirlpool Drum Baffle54WP697557 Whirlpool Bulkhead Assembly58W11086603 Whirlpool Dryer Link Screen Air Grille59WP3392519 Whirlpool Dryer Thermal Fuse60WP697770 Whirlpool Blower Cover Plate Seal64W10120998 Whirlpool Dryer Lint Screen Filter