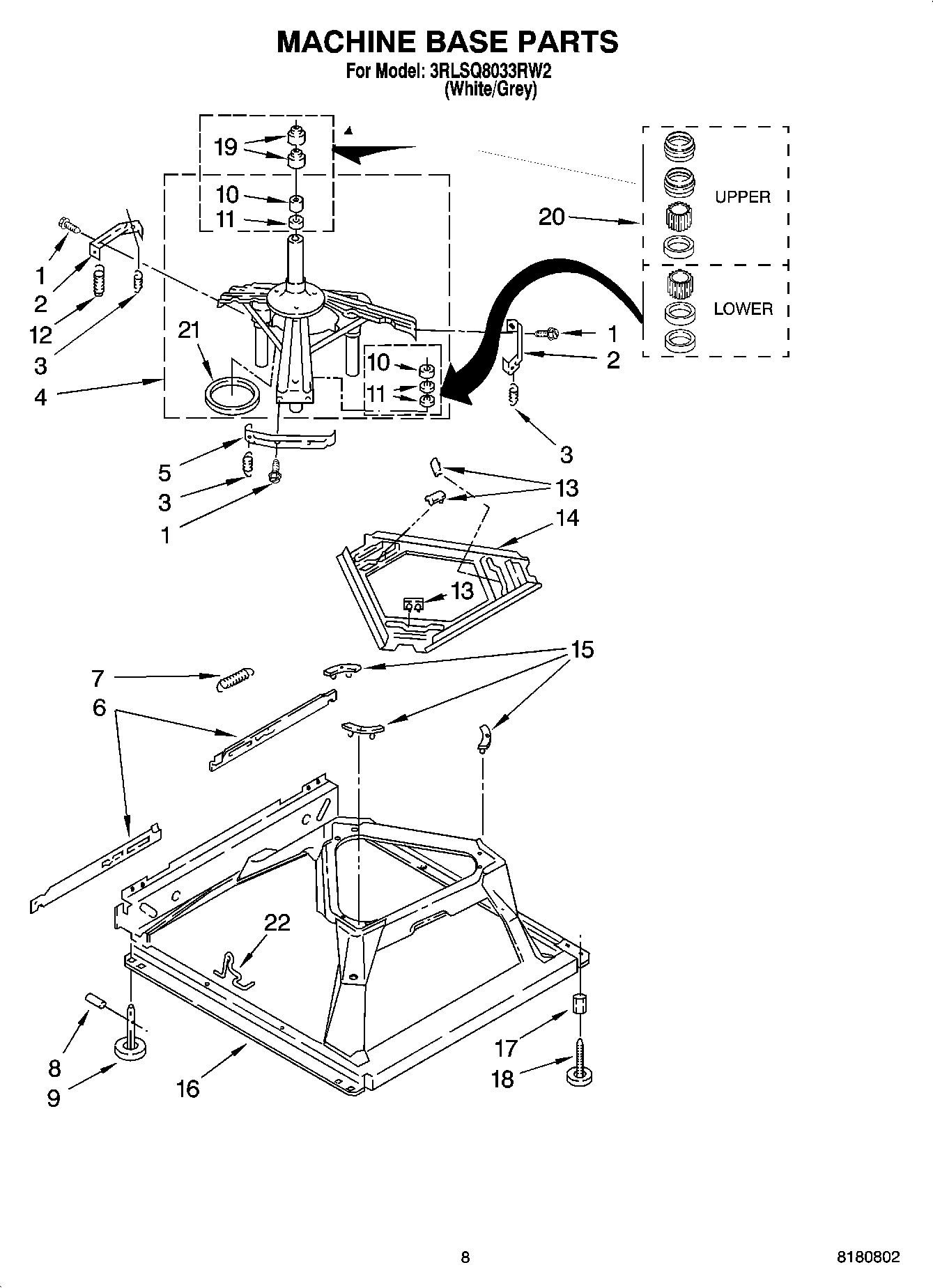
3RLSQ8033RW2 05 – MACHINE BASE PARTS