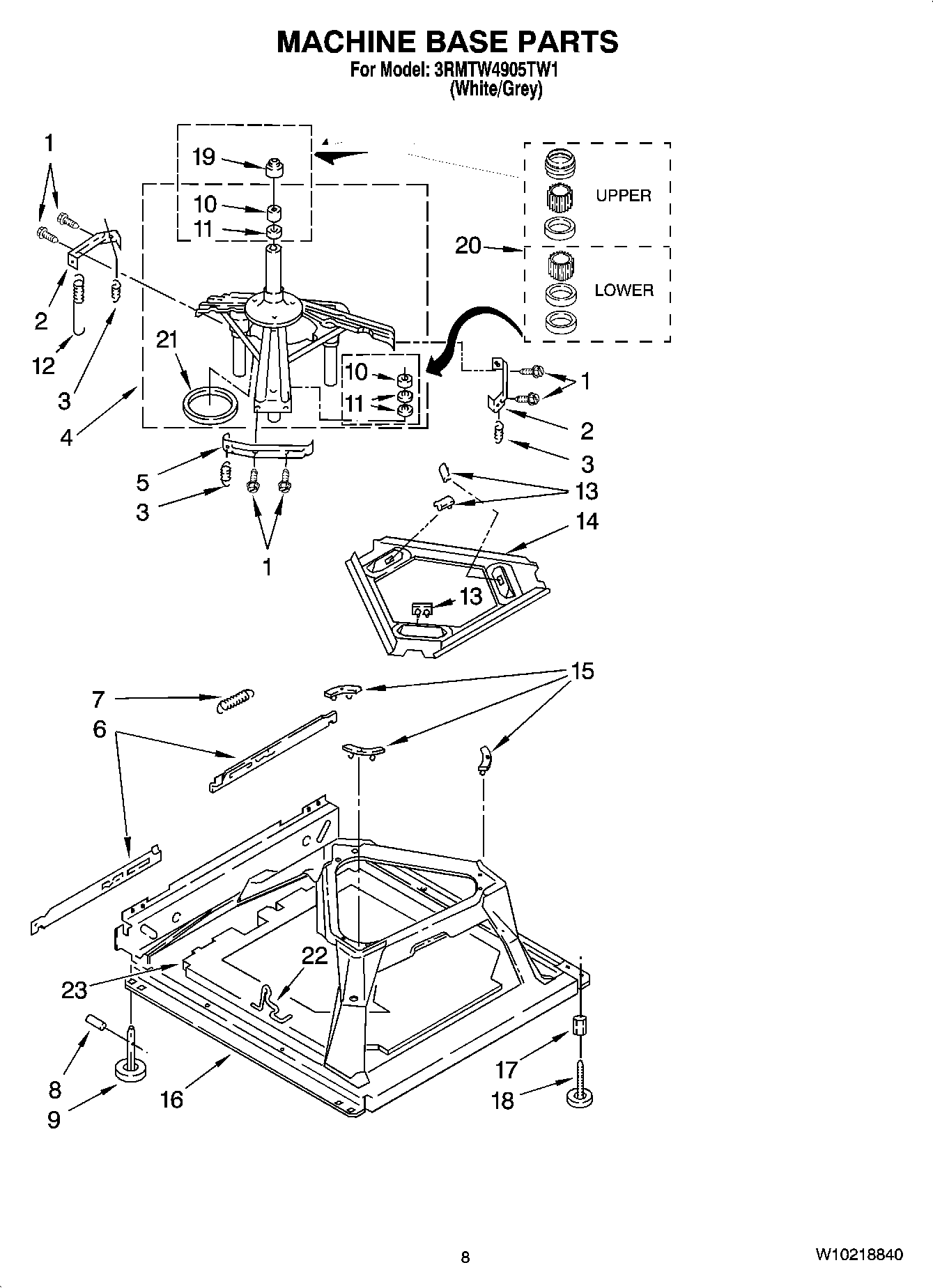
3RMTW4905TW1 05 – MACHINE BASE PARTSadmin2025-04-26T09:13:07+00:003RMTW4905TW1 05 – MACHINE BASE PARTS ProductsPositionProduct1MAY W100807502MAY 640673SPRING, SUSPENSION(3)4MAY W101170055MAY 640656MAY 634667MAY 625978MAY W100809209MAY W1008325010MAY 854645511MAY 35740912MAY 38849213MAY 6256814MAY 394650915MAY 336366016MAY W1011694317MAY W1008025018MAY W1008091019MAY 857737620MAY 28520321MAY 6313422MAY W1014515523Absorber, Sound