3XACM24XD0 01 – UNIT, LITERATUREadmin2025-04-26T12:26:48+00:003XACM24XD0 01 – UNIT, LITERATURE
Products
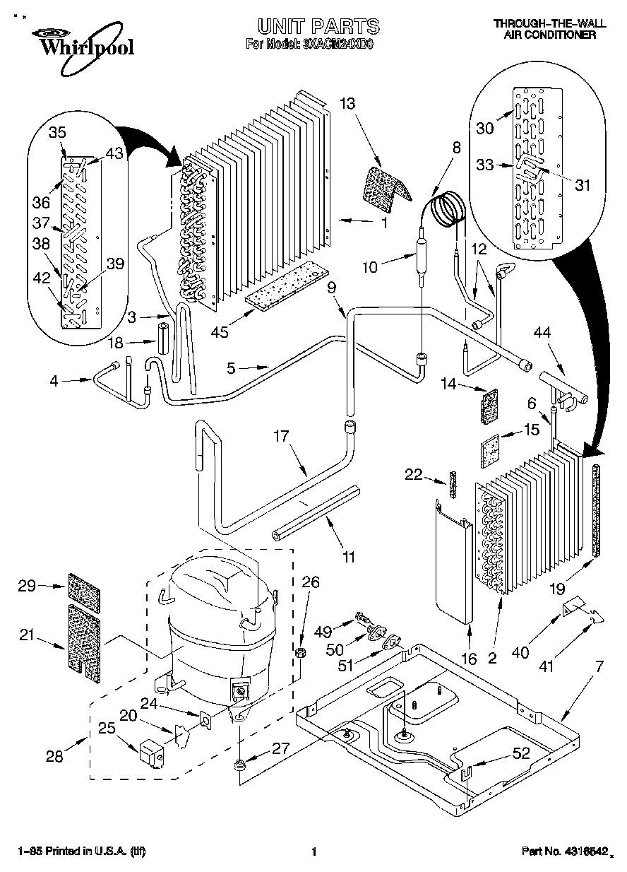
| Position | Product |
|---|
| 1 | Condenser |
| 2 | Evaporator |
| 3 | Tube, Discharge |
| 4 | Tube, Process |
| 5 | Tube, Wet Loop |
| 6 | Tube, Outlet (Row 1) |
| 6 | Tube, Outlet (Row 2) |
| 7 | Base |
| 8 | Tube, Restrictor (4) |
| 9 | Tube, Suction (Evaporator) |
| 10 | Strainer |
| 11 | Dampener, Tube 1/2`` |
| 12 | Tube, Inlet (Top Row 3) |
| 12 | Tube, Inlet (Row 4) |
| 12 | Tube, Inlet (Row 3) |
| 12 | Tube, Inlet (Top Row 4) |
| 13 | Seal, Anti-Rub |
| 14 | Seal, Suction Tube |
| 15 | Seal, Inlet Tube |
| 16 | Cover, Hair Pin |
| 17 | Tube, Suction/Compressor |
| 18 | WPL 1162344 |
| 19 | WP854334 Whirlpool Air Conditioner Sealing Strip |
| 20 | Retainer, Terminal Cover |
| 21 | Seal (Compressor) |
| 22 | Seal (Cover) |
| 24 | Gasket, Terminal Cover |
| 25 | Cover, Terminal |
| 26 | Nut, 8MM |
| 27 | Grommet (3) |
| 28 | Compressor |
| 29 | Pad, Dampening |
| 30 | Bend, Return Evaporator (11) |
| 31 | WP855199 Whirlpool Bend Return |
| 33 | Tube, Crossover (2) |
| 35 | Bend, 3-Way |
| 36 | Bend, Return Condenser (10) |
| 37 | Tube, Riser (2) |
| 38 | Bend, Return Condenser (4) |
| 39 | Bend, Return (3-Way) |
| 40 | Anticipator, Temperature |
| 41 | Clip, Anticipator |
| 42 | Bend Return |
| 43 | Bend, Return Condenser (1) |
| 44 | Manifold, Suction |
| 45 | Deflector, Water (Foam) |
| 49 | Screw No.8 |
| 50 | Drain Plug |
| 51 | Gasket, Drain Plug |
| 52 | Owners Manual/Installation Instructions |
| 52 | Protector, Cord |
| 52 | Wiring Diagram |