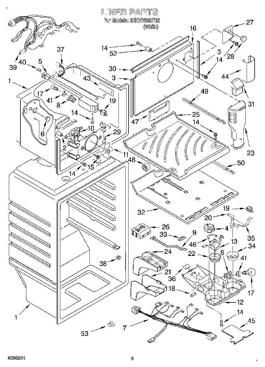
3XKVN600F02 02 – LINER