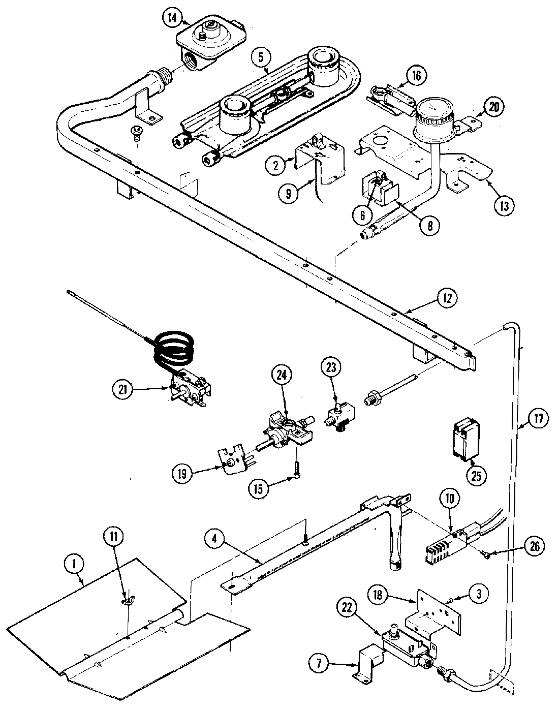
4121WRW 04 – GAS CONTROLSadmin2025-04-26T09:15:45+00:004121WRW 04 – GAS CONTROLS ProductsPositionProduct1MAY 3601F099-451MAY 3601F215-452MAY 3807F112-343WP4159193 Whirlpool Screw4MAY 7505P065-605MAY 3412A004-197MAY 4005F173-519MAY 7432P015-6010MAY 7432P076-6011NUT, WING12MAY 7513P139-6014MAY 7510P002-6015MAY 7101P044-6017MAY 3414F051-4418MAY 3807F418-3419MAY 7403P107-6021MAY 7101P279-6021MAY 7404P062-6022MAY 7501P014-6022MAY 7501P136-6022MAY 7501P015-6022MAY 155525122MAY 7501P135-6023MAY 7502P002-6025MAY 7431P006-6026SCREW (10-24X5/16-NI)