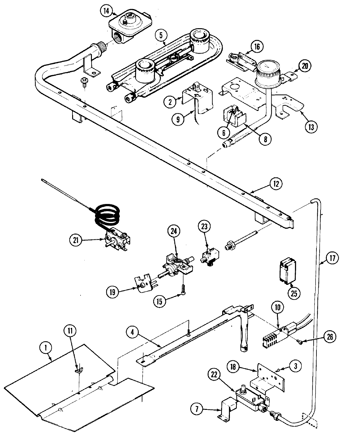
4131WRA 04 – GAS CONTROLS