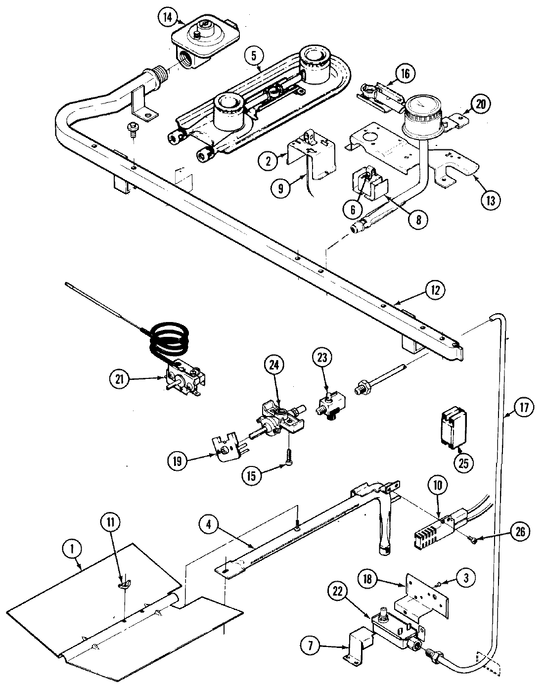
4131WRW 04 – GAS CONTROLSadmin2025-04-26T09:16:19+00:004131WRW 04 – GAS CONTROLS ProductsPositionProduct1MAY 3601F099-451MAY 3601F215-452MAY 3807F112-343WP4159193 Whirlpool Screw4MAY 7505P065-605MAY 3412A004-197MAY 4005F173-518MAY 3807F069-349MAY 7432P015-6010MAY 7432P076-6011NUT, WING12MAY 7513P138-6013MAY 3807F230-3414MAY 7510P002-6015MAY 7101P044-6016MAY 7506P018-6017MAY 3414F051-4418MAY 3807F418-3419MAY 7403P107-6020MAY 7505P103-6021MAY 7101P279-6021MAY 7404P062-6022MAY 7501P136-6022MAY 7501P014-6022MAY 7501P015-6022MAY 7501P135-6022MAY 155525123MAY 7502P002-6024MAY 7502P185-6025MAY 7431P024-6025MAY 7431P027-6026SCREW (10-24X5/16-NI)