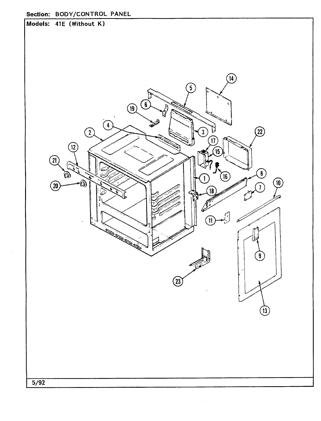
41EA-14 02 – BODY/CONTROL PANELadmin2025-04-26T09:15:40+00:0041EA-14 02 – BODY/CONTROL PANEL ProductsPositionProduct1MAY 4002F063-201MAY 4002F168-802MAY 4011F135-803MAY 4006W017-204MAY 7201P006-605MAY 3802F038-236MAY 3802F014-806MAY 3802F037-347MAY 5720A002-347MAY 5720A009-348MAY 4016F006-808MAY 4016F002-809MAY 7720P055-609MAY 7720P058-6010MAY 7720P056-6010MAY 7720P059-6011MAY 2610F002-3211MAY 2610F001-3212MAY 7118P004-6012MAY 2616F052-8413MAY 2618F013-7413MAY 7101P061-6013MAY 7101P250-6014MAY 3601F060-5117NOT REQUIRED PART OR SEE NOTE FUSE (NOT REQUIRED)18MAY 3801F053-3419MAY 3801F101-8020MAY 7731P001-6020MAY 7731P054-6021WP7711P135-60 Whirlpool Knob22MAY 7101P289-6022MAY 3801F218-51