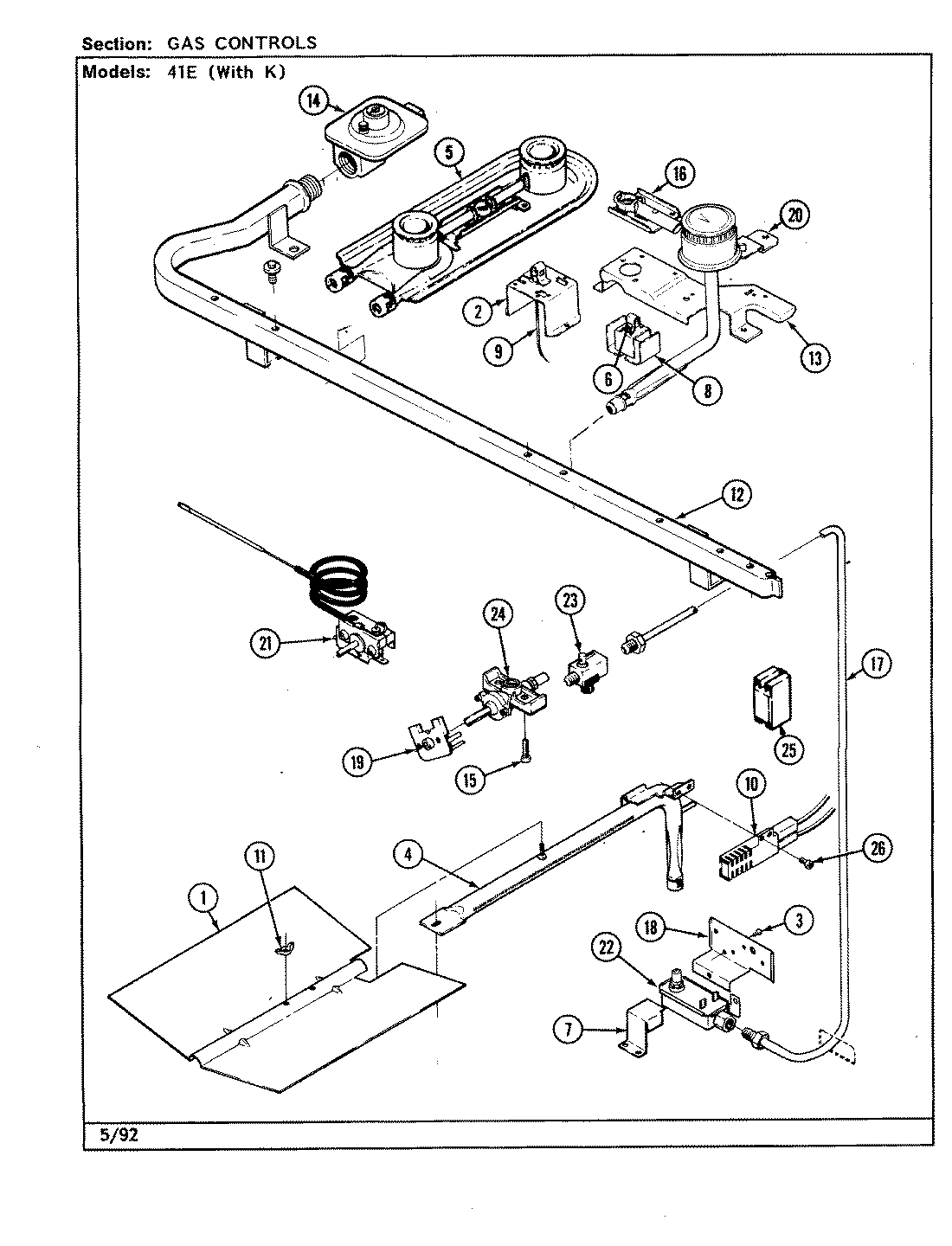
41EA-3GKW 04 – GAS CONTROLSadmin2025-04-26T09:17:27+00:0041EA-3GKW 04 – GAS CONTROLS ProductsPositionProduct1MAY 3601F099-451MAY 3601F101-451MAY 3601F215-452MAY 3807F112-343WP4159193 Whirlpool Screw4MAY 7505P065-605MAY 3412A004-197MAY 4005F173-518MAY 3807F069-349MAY 7432P015-6010MAY 7432P051-6010MAY 7432P067-6011NUT, WING12MAY 7513P113-6012MAY 7513P053-6012MAY 7513P133-6012MAY 7513P138-6013MAY 3807F230-3414MAY 7510P002-6015MAY 7101P044-6015MAY 7101P043-6015MAY 7101P296-6016MAY 7506P018-6017MAY Y093610218MAY 3807F143-3418MAY 3807F418-3419MAY 7403P258-6019WP7403P287-60 Whirlpool Igniter Switch19MAY 7403P283-6019MAY 7403P216-6019WP7403P190-60 Whirlpool Switch20MAY 7505P103-6021MAY 7404P062-6021MAY 7101P279-6021MAY 7515P019-6022MAY 155525122MAY 7501P105-6022MAY 7501P106-6022MAY 7501P015-6023MAY 7502P002-6024MAY 7502P226-6024MAY 7502P185-6024MAY 7502P138-6024MAY 7502P047-6025MAY 7431P003-6025MAY 7431P017-6025MAY 7431P016-6026SCREW (10-24X5/16-NI)