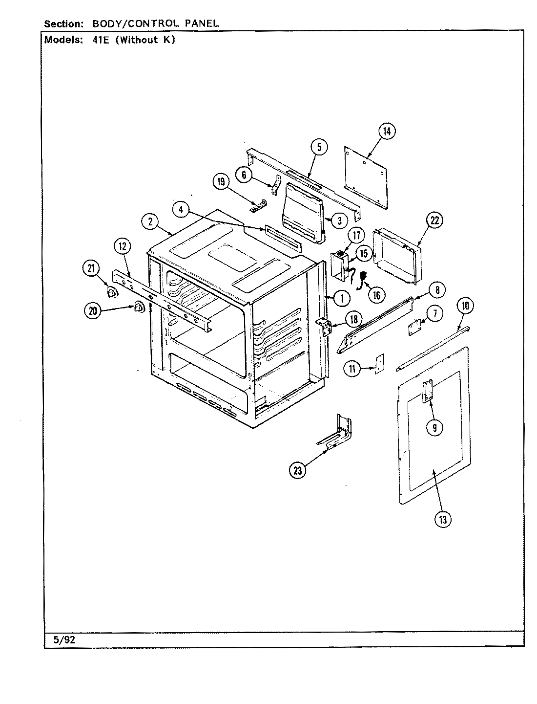
41EA-3GW 02 – BODY/CONTROL PANELadmin2025-04-26T09:15:28+00:0041EA-3GW 02 – BODY/CONTROL PANEL ProductsPositionProduct1MAY 4002F063-201MAY 4002F168-802MAY 4011F134-803MAY 4006W017-204MAY 7201P006-605MAY 3802F038-236MAY 3802F037-346MAY 3802F014-807MAY 5720A009-347MAY 5720A002-348MAY 4016F006-808MAY 4016F002-809MAY 7720P055-609MAY 7720P058-6010MAY 7720P056-6010MAY 7720P059-6011MAY 2610F002-3211MAY 2610F001-3212MAY 2616F029-8412MAY 7118P004-6013MAY 7101P061-6013MAY 2618F013-7413MAY 7101P250-6014MAY 3601F060-5115MAY 4006F005-8016BUSHING, SNAP16MAY 7402P011-6017MAY 7401P015-6018MAY 3801F053-3419NOT REQUIRED PART OR SEE NOTE FUSE (NOT REQUIRED)20MAY 7711P363-6021MAY 7733P026-6021MAY 7711P365-6021MAY 7733P088-6022MAY 7101P289-6022MAY 3801F218-51