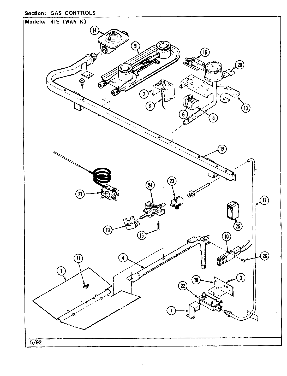
41EB-2KW 04 – GAS CONTROLSadmin2025-04-26T09:17:37+00:0041EB-2KW 04 – GAS CONTROLS ProductsPositionProduct1MAY 3601F099-451MAY 3601F101-451MAY 3601F215-453WP4159193 Whirlpool Screw4MAY 7505P065-605MAY 3412A004-197MAY 4005F173-519MAY 7432P015-6010MAY 7432P067-6010MAY 7432P051-6011NUT, WING12MAY 7513P052-6012MAY 7513P114-6012MAY 7513P139-6014MAY 7510P002-6015MAY 7101P044-6015MAY 7101P043-6015MAY 7101P296-6017MAY Y093610218MAY 3807F418-3418MAY 3807F143-3419MAY 7403P259-6019MAY 7403P041-6019MAY 7403P285-6019MAY 7403P216-6019MAY 7403P107-6020NOT REQUIRED PART OR SEE NOTE FUSE (NOT REQUIRED)21MAY 7101P279-6021MAY 7404P062-6021MAY 7515P019-6022MAY 7501P105-6022MAY 7501P015-6022MAY 155525122MAY 7501P106-6023MAY 7502P002-6024MAY 7502P009-6024MAY 7502P177-6024MAY 7502P234-6025MAY 7431P006-6026SCREW (10-24X5/16-NI)